Trasporto al primario di un condensatore?
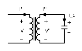
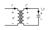
Salve a tutti volevo porre a voi esperti la seguente domanda. Quando in un trasformatore lineare, trasporto al primario un condensatore esso diventa C/n^2. Se volessi calcolare la tensione del condensatore al secondario dovrei continuare a dividere per n e per la corrente al secondario moltiplicare per n? Medesima cosa per l'induttore?





e dalle equazioni del trasformatore ideale si perviene al risultato:
è la capacità del condensatore equivalente al circuito sopra riportato (visto dai morsetti del primario del trasformatore).