Come capire le connessioni tra i rami
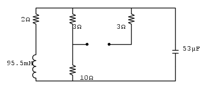
Buonasera a tutti, ho questi due esempi su cui sto lavorando.
Purtroppo non capisco come interpretare quei rami dove ho inserito le connessioni.
In entrambi devo arrivare a calcolare potenze attive e reattive, fattori di carico e rifasamento (ma su questi non ho dubbi). Devo appunto solo capire come "sistemare" i circuiti e renderli più maneggevoli.
In questo caso particolare viene detto che i terminali A e B sono collegati con una connessione ideale
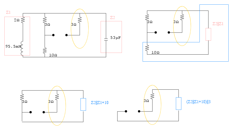
Purtroppo non capisco come interpretare quei rami dove ho inserito le connessioni.
In entrambi devo arrivare a calcolare potenze attive e reattive, fattori di carico e rifasamento (ma su questi non ho dubbi). Devo appunto solo capire come "sistemare" i circuiti e renderli più maneggevoli.
In questo caso particolare viene detto che i terminali A e B sono collegati con una connessione ideale




