Dubbio su riduzione da secondario a primario
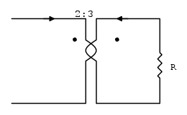
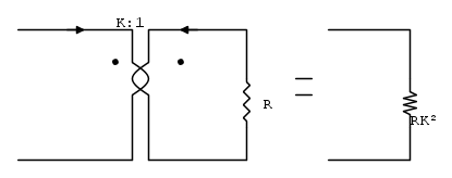
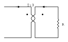
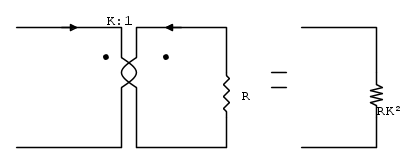
Buongiorno, nella riduzione da secondario a primario in un trasformatore, il docente per tutto il corso ha espresso il rapporto come (1:K) o (K:1). Di fatto una resistenza a secondario può essere portata a primario moltiplicando per il quadrato di K.
Nei testi di esame presenta invece situazioni simili, ed ho ragionato moltiplicando tutto per (2/3)^2.
Così facendo non tornano i conti con i risultati indicati e vorrei capire se sbaglio io (e nel caso dove).
Grazie mille
Nei testi di esame presenta invece situazioni simili, ed ho ragionato moltiplicando tutto per (2/3)^2.
Così facendo non tornano i conti con i risultati indicati e vorrei capire se sbaglio io (e nel caso dove).
Grazie mille





