Esercizio su Thevenin [2]
Dato il circuito determinare l'equivalente di Thevenin del bipolo rappresentato (Tensione e resistenza equivalente)
come sempre chiedo gentilmente di correggermi
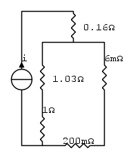
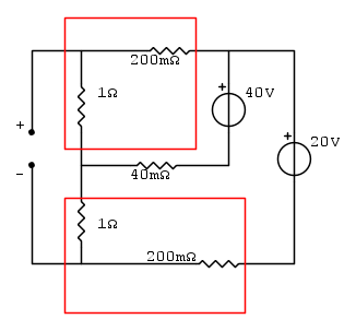
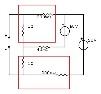
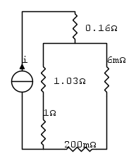
Per il calcolo della Req ho spento i due generatori inserendo un generatore di corrente. Ho inteso i tre resistori in alto collegati a triangolo, per cui li ho sostituiti con una stella.
con qualche serie/parallelo determino una Req=0.36Ω (da soluzione dovrebbe risultare 0.33Ω)
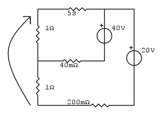
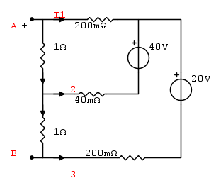
Per la tensione equivalente ho ridisegnato il circuito così
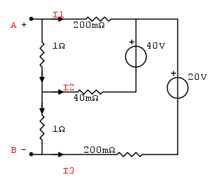
e scrivere LK sulla maglia esterna (definendo correnti sui rami) e un LKC ad esempio al nodo superiore.
come sempre chiedo gentilmente di correggermi
Per il calcolo della Req ho spento i due generatori inserendo un generatore di corrente. Ho inteso i tre resistori in alto collegati a triangolo, per cui li ho sostituiti con una stella.
con qualche serie/parallelo determino una Req=0.36Ω (da soluzione dovrebbe risultare 0.33Ω)
Per la tensione equivalente ho ridisegnato il circuito così
e scrivere LK sulla maglia esterna (definendo correnti sui rami) e un LKC ad esempio al nodo superiore.






![R_a + [ ( R_b + R_2 ) \parallel ( R_c + R_1 ) ] = 0.33 \Omega R_a + [ ( R_b + R_2 ) \parallel ( R_c + R_1 ) ] = 0.33 \Omega](/forum/latexrender/pictures/6426c2239c492c1a8856b5244c46210a.png)

![Ra+[((Rc+R1)||Rb)+R2)] Ra+[((Rc+R1)||Rb)+R2)]](/forum/latexrender/pictures/1fe38a3e44840055e5e4e7c068011026.png)


