Esercizio con Condensatore
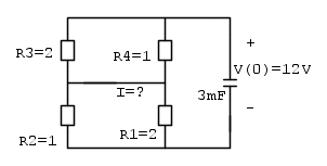
Ciao a tutti,è la prima volta che posto un esercizio e in realtà anche la prima volta che disegno uno schema,quindi chiedo scusa per l'orrore
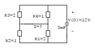
L'esercizio chiede di determinare la corrente nel ramo privo di resistenze e la corrente del Condensatore a t=0.
Quello che ho fatto per ora è calcolare la resistenza equivalente facendo il parallelo di R1 e R2 , R3 e R4 e poi la loro serie.La resistenza equivalente mi viene 4/3 e la costante di tempo tau 4.A questo punto avrei che la corrente a t=0 è I=V(0)/R= 9(ovviamente non corretto).
Mentre per calcolare la corrente nel ramo vuoto ho pensato che per esserci corrente ci deve essere una differenza di potenziale tra i due nodi,ma non saprei come calcolarla.
Il problema è con non capisco chiaramente cosa sia in parallelo o in serie con quel ramo di mezzo.
Se riuscite a darmi dei suggerimenti vi sarei molto grato
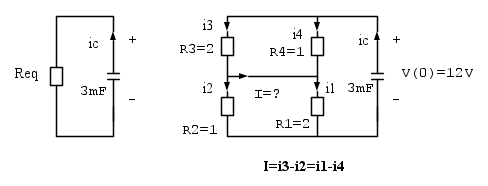
L'esercizio chiede di determinare la corrente nel ramo privo di resistenze e la corrente del Condensatore a t=0.
Quello che ho fatto per ora è calcolare la resistenza equivalente facendo il parallelo di R1 e R2 , R3 e R4 e poi la loro serie.La resistenza equivalente mi viene 4/3 e la costante di tempo tau 4.A questo punto avrei che la corrente a t=0 è I=V(0)/R= 9(ovviamente non corretto).
Mentre per calcolare la corrente nel ramo vuoto ho pensato che per esserci corrente ci deve essere una differenza di potenziale tra i due nodi,ma non saprei come calcolarla.
Il problema è con non capisco chiaramente cosa sia in parallelo o in serie con quel ramo di mezzo.
Se riuscite a darmi dei suggerimenti vi sarei molto grato



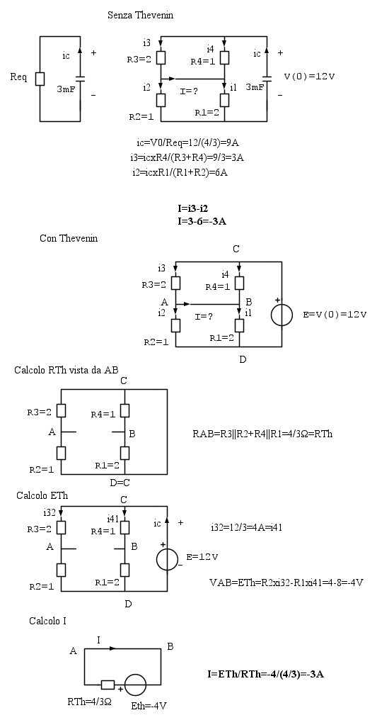
con il partitore di tensione: 
.
?