Gestione/interpretazione compresenza contatti
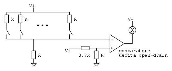
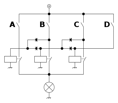
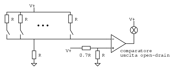
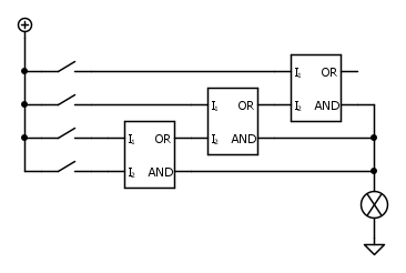
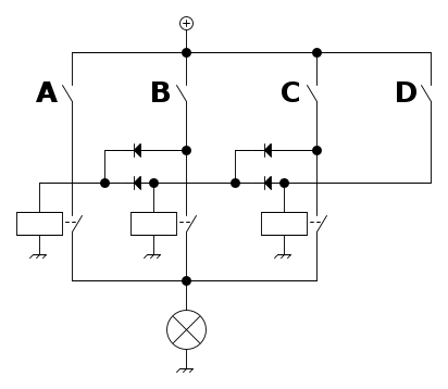
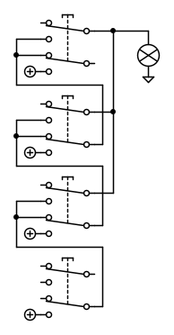
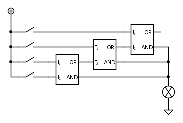
In pratica ho questi 8 interruttori (A,B,C,D,E,F,G,H) vorrei che se almeno due di essi sono accesi si accenda una lampadina, quini se A e F o G e B sono accesi la lampadina si accende.
La comunità del mondo elettrico: elettronica, elettrotecnica, impianti, pic, plc, automazione
https://www.electroyou.it/forum/
LOOP: in a,(0)
ld bc,80H
CLOOP: rra
jr c,NOINC
inc c
NOINC: djnz CLOOP
ld a,c
cp 2
ld a,0
jr c,L001
inc a
L001: out (0),a
jr LOOP
DB000180001F38010C10FA79FE023E0038013CD30018E9
