Correnti di corto circuito in guasti franchi
Ciao, sono nuovo del forum e cerco disperatamente un aiuto; sto preparando l'esame di impianti elettrici, e sono completamente bloccato sull'argomento riguardante il calcolo delle correnti di corto circuito in caso di guasti.
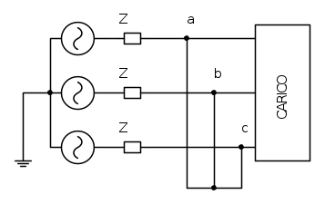
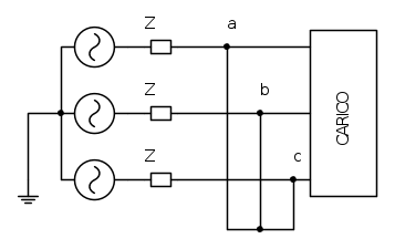
La mia domanda durante un guasto FRANCO su un nodo di una linea di trasmissione, la corrente Icc di corto circuito del nodo non dovrebbe essere uguale a quella iniettata dal generatore equivalente? E quindi la corrente del carico non dovrebbe essere pari a 0 essendo un ramo cortocircuitato?
La mia domanda durante un guasto FRANCO su un nodo di una linea di trasmissione, la corrente Icc di corto circuito del nodo non dovrebbe essere uguale a quella iniettata dal generatore equivalente? E quindi la corrente del carico non dovrebbe essere pari a 0 essendo un ramo cortocircuitato?

