Pagina 1 di 1

Bobina di minima tensione/sostituzione UPS obsoleto

MessaggioInviato: 30 mag 2012, 18:44
da VanDerGraaf
In una cabina MT/BT di una azienda dove si ha la necessità di mantenere la continuità, stiamo pensando di sostituire un vecchio UPS che sostiene gli ausiliari sempre attivi, in particolare alimenta le bobine di sgancio per minima tensione che fanno scattare vari interruttori (MT, BT , gruppo elettrogeno...) in caso di intervento di VVFF.
Secondo voi è possibile sostituire questo vecchio UPS (230Vac) con un'alto più moderno senza interrompere il servizio... ( mi chiedevo se ad esempio esiste una procedura per metterne uno nuovo in parallelo senza scomodare relè di sincronismo #-o )

Grazie per chi mi ha qualche consiglio o esperienza in tal senso

Re: Bobina di minima tensione/sostituzione UPS obsoleto

MessaggioInviato: 30 mag 2012, 20:17
da attilio
Dunque, io posso dirti che nel mio caso, dove lavoraro, per eseguire la sostituzione della batteria e/o dell' intero UPS era necessario eseguire lo sgancio lato MT, lo facevamo preventivamente inquanto una volta staccato il collegamento degli ausiliari (dall' UPS) sarebbe comunque intervenuto il relè.

Dovrei verificare attraverso gli schemi, ma credo che ci fosse la possibilità di fornire una seconda alimentazione di back-up (attraverso una morsettiera nel quadro MT) proprio per evitare il fuori servizio anche se di breve durata, ripeto, dovrei verificare.

Re: Bobina di minima tensione/sostituzione UPS obsoleto

MessaggioInviato: 31 mag 2012, 14:48
da VanDerGraaf
grazie della risposta,e scusami se rispondo con tempi di ritardo di 24 ore ...
Il problema di sostituire questo "UPSsino" ogni tot anni credo non sia così raro...immagino che si dovrà affrontare prima o poi in tutte le cabine dove si è optato per i circuiti di sicurezza con bobine di sgancio a mancanza di tensione...peccato nel mio caso non poterlo fare senza disalimentare l'utenza.

Anche nella cabina della ditta trovo una morsettiera vuota con dei contatti ponticellati sulla linea del circuito di sicurezza , io mi chiedo che succede se lì inserisco un UPS ? ... immagino ci siano problemi tra la fase della fondamentale del UPS preesistente con quella del nuovo arrivato #-o

Re: Bobina di minima tensione/sostituzione UPS obsoleto

MessaggioInviato: 31 mag 2012, 15:12
da detesco
l'UPS non ha un bypass manuale? di solito bypassi, stacchi il vecchio e metti il nuovo. Ti deve dire proprio male se manca la corrente proprio in quel momento

Re: Bobina di minima tensione/sostituzione UPS obsoleto

MessaggioInviato: 31 mag 2012, 15:43
da VanDerGraaf
tedesco ha scritto:l'UPS non ha un bypass manuale? di solito bypassi, stacchi il vecchio e metti il nuovo. Ti deve dire proprio male se manca la corrente proprio in quel momento

cioè l'operazione sarebbe
1)1 scoprire se l'upssetto che c'è ora ha il by pass
2)metterlo in by pass.... che credo significhi dare l'alimentazione su un ponte scr controllato con cui dovrebbe essere predisposto l'upssetto ...ma dubito
3) e poi? non ho esperienza in merito , ipotizzo collego le uscite l'alto UPS hai morsetti liberi
4) lo accendo ...
5) ma in bypass o in funzionamento normale? in batteria o collegato?

...ho perplessità che 2 UPS diversi possano lavorare in parallelo caldo ... qualcuno ci ha mai provato?

Re: Bobina di minima tensione/sostituzione UPS obsoleto

MessaggioInviato: 31 mag 2012, 16:11
da MaurizioC
Potresti verificare se la bobina ha un sistema di ritenuta meccanica, a volte è presente proprio per risolvere queste problematiche. A volte le bobine sono anche temporizzate di alcuni secondi, per evitare scatti intempestivi per un buco di rete.

Il mio consiglio, che è quello che suggerisco sempre ai miei clienti è quello comunque di fare un fuori servizio, anche solo di 15 minuti, in modo sia di evitare "acrobazie" con la tensione di rete e rischiare comunque uno sgancio, che di potere fare tutte le prove necessarie, simulando l'intervento del pulsante di emergenza o di una protezione. Tra l'altro la prova dello sgancio fa parte della manutenzione annuale di una cabina.

Colgo l'occasione per una segnalazione. Da un po di anni le alimentazioni ausiliarie di cabina sono state tra le vittime della riduzione di costi che impera nell'impiantistica, con la conseguenza della scomparsa delle alimentazioni in corrente continua e l'utilizzo di UPS a 230V, spesso di tipo informatico. Le conseguenze sono che sovente ci si trova in difficoltà ad eseguire le manutenzioni, dato che questi UPS non sono molto affidabili e hanno autonomia molto ridotta.
Invece le alimentazioni in continua a 24/48V hanno diversi vantaggi:
- semplicità e notevole affidabilità: in mancanza di rete l'alimentazione arrivava da una batteria e non da un inverter
- facile sostituzione di emergenza, al limite utilizzando le batterie di un autocarro
- si opera a tensione di sicurezza risolvendo i problemi delle tensioni interconnesse e delle operazioni sotto tensione

Saluti e buon lavoro

Re: Bobina di minima tensione/sostituzione UPS obsoleto

MessaggioInviato: 31 mag 2012, 17:09
da attilio
Il mio consiglio, che è quello che suggerisco sempre ai miei clienti è quello comunque di fare un fuori servizio, anche solo di 15 minuti, in modo sia di evitare "acrobazie" con la tensione di rete e rischiare comunque uno sgancio, che di potere fare tutte le prove necessarie, simulando l'intervento del pulsante di emergenza o di una protezione.

:ok:

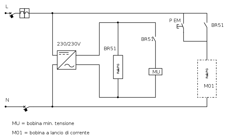
Ho trovato questo schema


Colgo l'occasione per una segnalazione. Da un po di anni le alimentazioni ausiliarie di cabina sono state tra le vittime della riduzione di costi che impera nell'impiantistica, con la conseguenza della scomparsa delle alimentazioni in corrente continua e l'utilizzo di UPS a 230V, spesso di tipo informatico. Le conseguenze sono che sovente ci si trova in difficoltà ad eseguire le manutenzioni, dato che questi UPS non sono molto affidabili e hanno autonomia molto ridotta.

Non posso che confermare, ho avuto lo stesso problema.
Nonostante la sostituzione dell' originale UPS da 800 VA ad un più potente 1600 VA la situazione nel tempo non è migliorata di molto.
La fornitura MT della zona era di pessima qualità e non era raro subire distacchi, da semplici transitori / buchi di tensione a mini black-out di 2-5 minuti, in occasione di qualcuno di questi un po' più prolungato (da 20 minuti a mezz' ora) capitava che l' UPS si scaricasse (*) lasciando aprire il relè di protezione e quindi sganciando l' interruttore MT.
La prima volta me ne accorsi per caso, poiché vidi che nei capannoni limitrofi era tornata l' illuminazione perimetrale, così corsi in cabina e capii cosa fosse successo.
(*) La cosa strana era che orientativamente, in base all' assorbineto di relè e bobina, l' UPS avrebbe dovuto avere un autonomia superiore (almeno un ora o forse più, salvo aver reperito dati errati)

In effetti, avevamo anche preso in considerazione anche quanto scritto successivamente
le alimentazioni in continua a 24/48V hanno diversi vantaggi:
- semplicità e notevole affidabilità: in mancanza di rete l'alimentazione arrivava da una batteria e non da un inverter
- facile sostituzione di emergenza, al limite utilizzando le batterie di un autocarro
- si opera a tensione di sicurezza risolvendo i problemi delle tensioni interconnesse e delle operazioni sotto tensione


PS:
"UPSsino"

l'upssetto

Ma semplicemente UPS no? :mrgreen:

Re: Bobina di minima tensione/sostituzione UPS obsoleto

MessaggioInviato: 4 dic 2012, 22:14
da spillo
Ciao Attilio leggevo con molto interesse il tuo post relativo alle bobine di minima tensione a corredo degli interruttori MT e della loro alimentazione da UPS in caso di black-out. Secondo te quanto è l'assorbimento in Ampere del relè e della bobina? Devo scegliere la potenza dell'UPS da utilizzare come muletto per cui non dovrà essere pesante nel trasporto. Grazie O_/

Re: Bobina di minima tensione/sostituzione UPS obsoleto

MessaggioInviato: 5 dic 2012, 8:44
da MASSIMO-G
un piccolo UPS da 500VA efficiente (e 500VA sono davvero pochini) tiene eccitata la bobina di minima di un interruttore di media tensione, in assenza di alimentazione al primario, per piu di un'ora. Il fattore critico dei piccoli UPS delle cabine di utente sono le batterie. Occorre sostituirle ogni due anni circa, poi la loro durata è in funzione della temperatura, piu alta è la temperatura in cabina piu le prestazione degradano velocemente. Considerando che per la gran parte dell'anno nelle piccole cabine la temperatura è torrida ( per la temperatura ambiente + le dissipazioni del trasformatore) sovente anche dopo un anno le batterie vanno comunque sostituite. Un UPS con batterie usurate al mancare della tensione ha scarsissima autonomia.