luci di segnalazione aerea
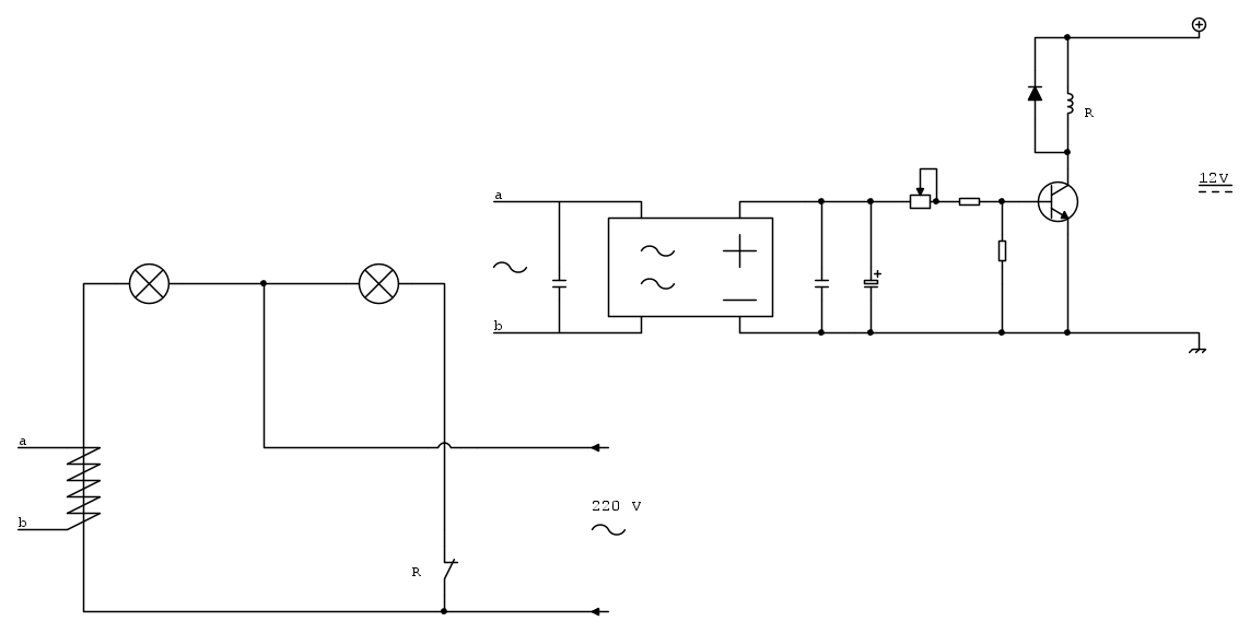
Salve a tutti, avrei bisogno di un consiglio su come modificare un impianto luci di segnalazione aerea su un camino industriale. L'impianto è realizzato con gruppi di due lampade ad incandescenza, ognuno di questi gruppi è alimentato con un cavo tripolare, di cui un filo è comune alle due lampade e due ritorni. Una delle due lampade e collegata in serie alla bobina di un relè amperometrico. L'altra è alimentata da un contatto n.c. dello stesso relè. Pertanto il relè quando viene alimentato dal crepuscolare si eccita fintanto che il filamento della lampada è integro, quando la lampada si fulmina il relè si diseccita e si accende l'altra lampada comandata dal contatto n.c. che non eccitandosi il relè rimane chiuso. Allora qual è il problema? Nell’ultima fermata d’impianto sono state sostituite le lampade e al posto di montare delle lampade ad incandescenza sono state montate delle lampade a risparmio energetico, pertanto non possono più essere montate in serie alla bobina del relè e comunque non permettono più al relè di eccitarsi non essendo a filamento. Una volta avviati gli impianti non è più possibile accedere alla sostituzione delle lampade pertanto avrei la necessità di trovare una soluzione attuabile a terra sui circuiti di alimentazione e comando continuando a usare le lampade a risparmio energetico, facendo in modo che la seconda lampada si accenda quando si fulmina la prima. Sono certo che qualcuno saprà darmi un consiglio su come modificare questo impianto. Ringrazio anticipatamente chi vorrà darmi una mano.
