Consiglio Nuovo Impianto Abitazione
Ciao a tutti!
E’ la prima volta che scrivo su questo forum dopo diverso tempo che vi leggo.
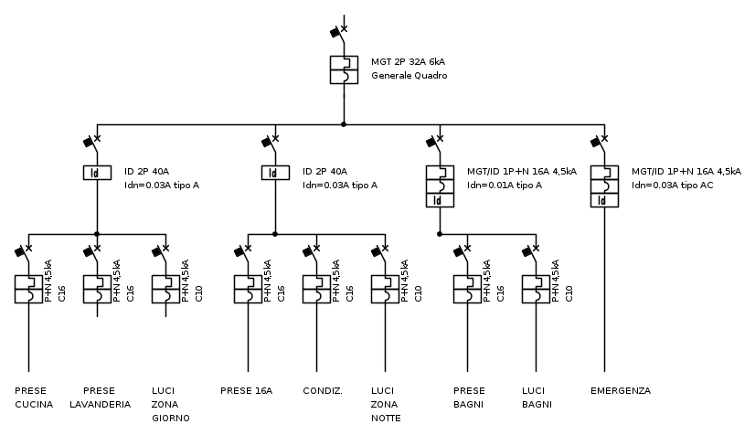
Volevo proporvi, visto che a breve inizierà i lavori, lo schema dell’impianto elettrico di casa mia che ho concordato con il mio elettricista.
Considerate che la casa è su due piani e pensavamo di suddividerla così.
ENEL ---------> MT Differenziale S 32 A 300 mA classe A (nel contatore)
CENTRALINO DENTRO CASA (SOPRA)
MT Differenziale C10 30 mA
LUCI TOTALI + PRESE 10A (Dentro)
MT Differenziale C16 30 mA
PRESE 16A (Cam. matr.-cam. bimbi-ripostiglio-studio)
MT Differenziale C16 30 mA
PRESE 16A (Salotto-soggiorno)
MT Differenziale C16 10/30 mA
PRESE 16A (Frigo)
MT Differenziale C16 10 mA
PRESE 16A (Bagno vasca-Bagnetto)
MT Differenziale C16 30 mA
PRESE 16A (Cucina+lavastoviglie)
MT Differenziale C10 30 mA
LUCI (Fuori) + SUONERIA
MT Differenziale C16 30 mA
CALDAIA
MT Differenziale C16 30 mA
CONDIZIONATORI
Dove metto la Presa esterna?
CENTRALINO DENTRO CASA (SOTTO)
MT Differenziale C10 30 mA
LUCI (Taverna-bagno-garage-presa cappa)
MT Differenziale C16 30 mA
PRESA 16A (Cucina-Lavatrice)
MT Differenziale C16 30 mA
PRESE (Taverna-Garage)
MT Differenziale C16 10 mA
PRESE 16A (Bagno)
Eventuale presa per Graticola elettrica?
Ho solo 3 domande veloci veloci:
Che classe di differenziali devo mettere? A va bene per quello nel contatore dell’enel o basta anche un ac? Gli altri?
Nel piano di sopra su che linea inserisco una presa stagna esterna nel contatore?
Se una presa la usassi per la graticola elettrica su quale linea mi conviene inserirla?
Inoltre per la Tv invece, secondo voi avendo 3 punti in casa (sia terrestre che satellitare), come le posso collegare? Passante o dirette?
Grazie per ogni vostro commento!
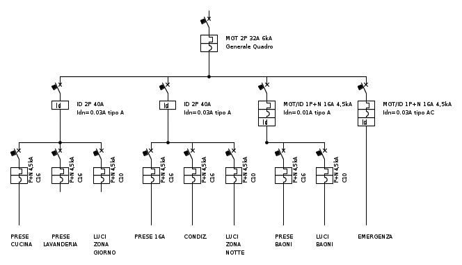
E’ la prima volta che scrivo su questo forum dopo diverso tempo che vi leggo.
Volevo proporvi, visto che a breve inizierà i lavori, lo schema dell’impianto elettrico di casa mia che ho concordato con il mio elettricista.
Considerate che la casa è su due piani e pensavamo di suddividerla così.
ENEL ---------> MT Differenziale S 32 A 300 mA classe A (nel contatore)
CENTRALINO DENTRO CASA (SOPRA)
MT Differenziale C10 30 mA
LUCI TOTALI + PRESE 10A (Dentro)MT Differenziale C16 30 mA
PRESE 16A (Cam. matr.-cam. bimbi-ripostiglio-studio)MT Differenziale C16 30 mA
PRESE 16A (Salotto-soggiorno)MT Differenziale C16 10/30 mA
PRESE 16A (Frigo)MT Differenziale C16 10 mA
PRESE 16A (Bagno vasca-Bagnetto)MT Differenziale C16 30 mA
PRESE 16A (Cucina+lavastoviglie)MT Differenziale C10 30 mA
LUCI (Fuori) + SUONERIAMT Differenziale C16 30 mA
CALDAIAMT Differenziale C16 30 mA
CONDIZIONATORIDove metto la Presa esterna?
CENTRALINO DENTRO CASA (SOTTO)
MT Differenziale C10 30 mA
LUCI (Taverna-bagno-garage-presa cappa)MT Differenziale C16 30 mA
PRESA 16A (Cucina-Lavatrice)MT Differenziale C16 30 mA
PRESE (Taverna-Garage)MT Differenziale C16 10 mA
PRESE 16A (Bagno)Eventuale presa per Graticola elettrica?
Ho solo 3 domande veloci veloci:
Che classe di differenziali devo mettere? A va bene per quello nel contatore dell’enel o basta anche un ac? Gli altri?
Nel piano di sopra su che linea inserisco una presa stagna esterna nel contatore?
Se una presa la usassi per la graticola elettrica su quale linea mi conviene inserirla?
Inoltre per la Tv invece, secondo voi avendo 3 punti in casa (sia terrestre che satellitare), come le posso collegare? Passante o dirette?
Grazie per ogni vostro commento!
