Pagina 1 di 3
Cantiere interno

Inviato:
22 ott 2013, 12:21
da simp
Salve.
Per un cantiere edile in un edificio a più piani saranno effettuate demolizioni e rimozioni di impianti.
Nel caso in cui l'impianto di cantiere (che non prevede gru, betoniere o altri grossi carichi se non un montacarichi) è alimentato dal contatore esistente dell'edifico (potenza 120kW) è necessario il progetto?
E' necessaria l'illuminazione di sicurezza per indicare le vie di esodo dato che si tratta di cantiere interno sviluppato su più piani?
E' inoltre necessario effettuare la valutazione contro la fulminazione se non sono presenti ponteggi esterni?
Grazie
Re: Cantiere interno

Inviato:
22 ott 2013, 12:30
da rosino
Gli impianti di cantiere sono esclusi dall'obbligo di progetto. Art. 10 37/08.
La valutazione fulmini fa parte anche del D.lgs 81, quindi va fatta.
Re: Cantiere interno

Inviato:
22 ott 2013, 12:33
da rosino
Nel commento all’art. 704.3 della norma CEI 64-8/7 viene citato:
“Si raccomanda di prevedere illuminazione di sicurezza nelle zone particolarmente scure dei cantieri, come per es. nelle parti interne di edifici molto alti...."
Re: Cantiere interno

Inviato:
22 ott 2013, 13:23
da simp
Quindi anche se l'impianto di cantiere è derivato da uno con obbligo di progetto non è necessario quest'ultimo?
Inoltre si possono usare multiprese per cantieri interni?
Grazie
Re: Cantiere interno

Inviato:
22 ott 2013, 14:26
da rosino
Per questa tua domanda ti viene in aiuto la guida CEI 64:17 "Guida all’esecuzione degli impianti elettrici nei cantieri"
Punto 8.1
8.1 Tipologie di presa a spina
Le prese a spina utilizzate in cantiere devono essere in grado di resistere alle condizioni di impiego che si possono verificare durante l’uso, e quindi devono essere protette adeguatamente contro gli effetti dannosi dell’acqua ed avere adeguata resistenza meccanica.
Nelle comuni condizioni di cantiere le prese a spina devono garantire un grado di protezione almeno IP44, sia con spina inserita che con spina disinserita, ed una resistenza meccanica a basse temperature (fino a –25°C). Queste prescrizioni fanno sì che le prese a spina utilizzate siano del tipo industriale conformi alle norme EN 60309 (CEI 23-12).
Per le attività di breve durata, di finitura o per piccoli cantieri di ristrutturazione, è frequente l’impiego di attrezzature portatili equipaggiate con spine di tipo domestico e similare. È quindi ammesso l’uso di prese per uso domestico e similare (CEI 23-5, CEI 23-16, CEI 23-50) quando l’ambiente di lavoro e l’attività in essere non presentano particolari rischi nei confronti di presenza di acqua, di polveri ed urti. È ammesso l’uso di adattatori di sistema (secondo la Norma CEI EN 50250, parte spina industriale e parte presa per uso domestico e similare) per uso temporaneo.
La valutazione per il tuo cantiere la lascio a te, al coordinatore della sicurezza o chi per esso.
Re: Cantiere interno

Inviato:
23 ott 2013, 23:12
da simp
Grazie per le risposte rosino.
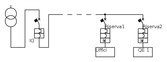
Ho un altro dubbio. Devo derivare l'impianto di cantiere dal power center esistente in cabina.
poiché ho a disposizione due interruttori di riserva posso utilizzarli per alimentare i sottoquadri con due linee o devo sempre avere un generale e quindi alimentare i due quadri (Uffici e QE1)?
Re: Cantiere interno

Inviato:
23 ott 2013, 23:33
da rosino
Non è una domanda facile.
Se il power center è fuori dalla zona cantiere e le due linee alimentano quadri ASC allora potresti farlo in accordo con il coordinatore per la sicurezza ed il PSC (piano di sicurezza e coordinamento).
Di contro sempre la guida CEI 64-17 Fig. 20 "Esempio di posizionamento dei quadri e delle condutture" prevede che pure il quadro di alimentazione a lato del punto fornitura sia ASC.
Di fatto nella realtà non ho mai visto a lato del contatore Enel un quadro ASC.
Re: Cantiere interno

Inviato:
25 ott 2013, 12:05
da Mike
Se il quadro non è posato all'interno dell'area di cantiere non deve essere ASC. Un solo interruttore dentro un involucro non è un quadro elettrico, ecco perché gli avanquadri non sono ASC

.
Re: Cantiere interno

Inviato:
25 ott 2013, 14:03
da ferri
Saluti a tutto il forum
Secondo Ing. Marco Carrescia la linea di alimentazione e l'eventuale interruttore a monte sono con obbligo di progetto (da un convegno on-line recentissimo). Personalmente non condivido la posizione, (spesso non trovo progetti su impianti decisamente più complessi..magari con tanto di DDC con indicato straordinaria manutenzione, e l'impianto era tutto nuovo..) ma la volevo segnalare.
Re: Cantiere interno

Inviato:
25 ott 2013, 14:51
da rosino
Per me fanno parte dell'impianto di cantiere e quindi non sono soggetti ad obbligo di progetto.
Non so se c'è in merito qualche sentenza.