Pagina 1 di 6
Alternanza pompe

Inviato:
10 apr 2014, 18:41
da Sapgnaboy85
Salve a tutti. Volevo porvi un piccolo quesito. Un po' di tempo fa, ho incontrato un piccolo quadro per l'avviamento di due pompe sommergibili. Questo svolgeva l'alternanza di due pompe elettromeccanicamente, senza l'ausilio di un relè di alternanza. Qualcuno di voi conosce lo schema funzionale per questo tipo di logica? Grazie mille anticipatamente.
Re: Alternanza pompe

Inviato:
10 apr 2014, 23:28
da Candy
Sicuro che non ci fossero altre logiche "nascoste", tipo galleggianti o controlli remoti? Almeno una "memoria", da qualche parte, deve esserci.
Re: Alternanza pompe

Inviato:
13 apr 2014, 10:38
da Sapgnaboy85
Si ovviamente. 3 galleggianti: galeggiante minimo, galleggiante 1 chiamta, galleggiante 2 chiamata. Parlando con i miei colleghi più anziani ho scoperto che in passato si faceva, solo che questo tipo di logica presenta dei problemi. Il quadro è marchiato FLYGT, l'azienda elle pompe sommergibili.
Re: Alternanza pompe

Inviato:
15 apr 2014, 12:13
da StefanoSunda
Volevo porvi un piccolo quesito. Un po' di tempo fa, ho incontrato un piccolo quadro per l'avviamento di due pompe sommergibili. Questo svolgeva l'alternanza di due pompe elettromeccanicamente, senza l'ausilio di un relè di alternanza. Qualcuno di voi conosce lo schema funzionale per questo tipo di logica? Grazie mille anticipatamente.
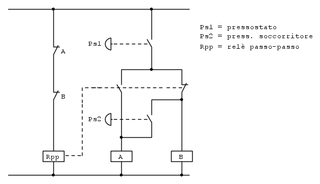
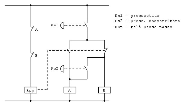
La logica delle due pompe (autoclave), funzionano in questo modo: Pompa A e pompa B. Ipotizziamo che allla 1° partenza parta la pompa A energizzata dal Pr1 (pressostato 1) nel caso la portata non basta si avvia anche B energizzata dal Pr2 (pressostato 2). Terminata l’erogazione, le pompe si fermano. Al riavvio parte la pompa B, la pompa A in questo caso entrerà in funzione quando ci sarà maggior prelievo. L’automatismo è molto semplice, dentro al quadro vi è un relè passo-passo che commuta quando le due pompe si trovano ferme.
Nel tuo caso è utilizzato un sistema di riempimento serbatoio o vasca con galleggianti.
Re: Alternanza pompe

Inviato:
2 set 2016, 20:02
da elettricista40
Stefano sunda potresti butta giu' uno schema per favore.Non rieco a capire bene.

Re: Alternanza pompe

Inviato:
2 set 2016, 20:04
da elettricista40
Il rele passo passo dovrebbe rimanere nella "posizione" fino a un nuovo impulso.E ci siamo quindi al prossimo impulso dovrebbe partire la pompa 2 ma non riesco a capirlo senza uno schema.
Re: Alternanza pompe

Inviato:
5 set 2016, 10:14
da StefanoSunda
Stefano sunda potresti butta giu' uno schema per favore.Non rieco a capire bene.
La logica delle due pompe (autoclave), funzionano in questo modo: Pompa A e pompa B. Ipotizziamo che allla 1° partenza parta la pompa A energizzata dal Pr1 (pressostato 1) nel caso la portata non basta si avvia anche B energizzata dal Pr2 (pressostato 2). Terminata l’erogazione, le pompe si fermano. Al riavvio parte la pompa B, la pompa A in questo caso entrerà in funzione quando ci sarà maggior prelievo. L’automatismo è molto semplice, dentro al quadro vi è un relè passo-passo che commuta quando le due pompe si trovano ferme.
Re: Alternanza pompe

Inviato:
5 set 2016, 14:49
da elettricista40
Grazie stefano sunda.Lo schema l'ho capito ma NON HO CAPITO COME COMMUTA IL RELE PASSO PASSO CIE' PERCHE' COMMUTA QUANDO LE DUE POMPE SONO FERME non ho capito come commuta il relè passo passo cioè perché commuta quando le due pompe sono ferme
Re: Alternanza pompe

Inviato:
5 set 2016, 14:56
da blusol
Il passo passo permette l'alternanza tra le due pompe.
Supponendo che sia partita la pompa A, una volta che si è fermata cosa succede al relè passo passo? Quale sarà la prossima pompa a partire una volta che si attivà il pressostato?
Re: Alternanza pompe

Inviato:
5 set 2016, 15:10
da elettricista40
Ho visto meglio HO CAPITO! ho capito! Il rele passo commuta quando sono ferme le pompe perche' c'e' il normalmente ciuso dei contattori pompa a e b quindi ovviamwntw il rele passo passo e' alimentato e commuta quando le due pompe sono ferme.Grazie ancora!