Luci esterne a 12 V per viale
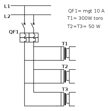
Salve volevo un informazione riguardo ad un viale con 17 luci a pavimento con lampade 12 volt 20 watt! Nel quadro ce' un interruttore mtd 10 amper che alimenta un trasformatore toroidale ip68 300watt da esterno esso fa 11 lampade poi altri due da 50 w che ognuno fanno due lampade! Gli amper dell'interruttore va calcolato a12 volt oppure 220 volt? Perche col 10 amper mi scatta ma se lo cambio con un 16 amper non scatta piu! Anche se l'interruttore alimenta i trasformatori il calcolo degli amper devo fare 17 x20 watt 340 w diviso 12 volt? Grazie mille

e calcolando l'assorbimento come già fatto da
largamente supportato dal mgt da 10A, pertanto io sarei dell'avviso di misurare l'assorbimento, immaginando un intervento per magnetica del dispositivo di protezione e non per termica.