Pagina 1 di 2
Come sbrogliare tre deviatori?

Inviato:
20 set 2014, 13:08
da caesar753
Salve a tutti,
volete cimentarvi con un indovinello? bene, siete nel posto giusto
nella mia casa al mare non sono mai riuscito a capire come siano stati collegati tre deviatori che accendono la luce in due stanze diverse, non posso fare uno schema perche' non saprei da dove partire, cerchero' di illustrarvi la situazione a parole cercando di essere piu' chiaro possibile:
abbiamo due stanze (che chiameremo A e B) e tre deviatori, che chiameremo 1, 2 e N:
- nella stanza B l'unico deviatore che accende la luce e' N
- nella stanza A sia 1 che 2 accendono la luce
MA
- se accendiamo la luce di A da 2, la luce di B si accende regolarmente da N, ma 1 smette di funzionare, ovvero la luce di A resta sempre accesa in qualsiasi posizione si metta 1
- se accendiamo la luce di A da 1 e poi la luce di B da N, senza toccare 2, la luce di A si spegne, a meno che non si commuti anche 2
non so quanto io sia stato chiaro, ma in effetti la situazione e' abbastanza intricata ...
Re: Come sbrogliare tre deviatori?

Inviato:
20 set 2014, 13:24
da Russell
Se ho capito bene il problema, non dovrebbero essere 3 deviatori... credo siano 2 deviatori ed un invertitore
e il sospetto è che un deviatore sia stato collegato male
E da quello che dici l'invertitore è N, quindi il problema è in 1 o 2...
prima di farti un eventuale disegno, fammi capire: la luce nella stanza A e B in pratica si deve accendere/spegnere sempre in simultanea? Ovvero per semplicità possiamo dire che è un'unica luce, vero?
Re: Come sbrogliare tre deviatori?

Inviato:
20 set 2014, 13:28
da caesar753
Ciao Russel, grazie della risposta,
no, la luce della stanza B diciamo che dovrebbe essere isolata, dovrebbe accendersi e spegnersi senza tenere conto di quello che succede in A, infatti non capisco come abbiano potuto fare casino nel montare una cosa che dovrebbe essere relativamente semplice ...
Re: Come sbrogliare tre deviatori?

Inviato:
20 set 2014, 13:32
da elettroigor
2 presente fase e ritorno lampada A si accende 1 inutile
in N presente filo deviata 1-2 per cui spegni A
inverti il filo che alimenta n con verosimilmente uno dei fili di 2..

Re: Come sbrogliare tre deviatori?

Inviato:
20 set 2014, 13:48
da ZG84
certo che detto in A e in N 1 e 2 bel casino
](./images/smilies/eusa_wall.gif)
L'unica cosa che ho capito è che era un punto luce invertito e hanno cambiato un invertitore con un deviatore...mio padre aveva fatto un numero del genere in camera.
Probabilmente era una stanza unica in principio.
Re: Come sbrogliare tre deviatori?

Inviato:
20 set 2014, 13:50
da Russell
eh no... allora sento gia' puzzo di bruciato
direi che ti serve un cercafase per capire esattamente cosa accade
basta aprire le scatoline, e verificare le connessioni, cambiando anche lo stato dei vari interruttori
In N dovresti avere un normale interruttore, ed invece sembra ci sia o un deviatore o invertitore, che va ad interagire con la stanza A
Non è normale affatto, e anzi potrebbe essere anche pericoloso... dato che è evidente che le cose non sono state fatte bene
(forse ci sono state modifiche con gli anni e l'elettricista nel sistemare la situazione non si è accorto del 'bug')
Re: Come sbrogliare tre deviatori?

Inviato:
20 set 2014, 14:05
da Russell
Poi... se vuoi trasformare il tuo problema in un indovinello, ed individuare il problema, credo basterebbe integrarlo con una tabella tipo:
Int1 Int2 IntN A B
Su Su Su ON ON
Su Su Giu ON OFF
Su Giu Su OFF ON
Su Giu Giu OFF OFF
Giu Su Su OFF ON
Giu Su Giu OFF OFF
Giu Giu Su ON ON
Giu Giu Giu ON OFF
Che mostra il caso ideale del comportamento che vorresti ottenere allo stato della luce in A e in B a seconda della posizione dell'interruttori 1 2 ed N.
Se lo aggiorni con i valori reali penso sia facile vedere la soluzione, ovvero su quale interruttore agire
Re: Come sbrogliare tre deviatori?

Inviato:
20 set 2014, 15:19
da Max2433BO
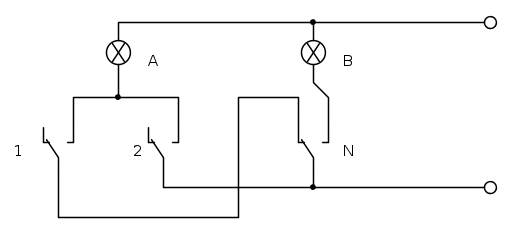
Penso che lo schema sia questo:
Infatti:
Se accendo A con 2, B si accende regolarmente con N, ma 1 non riesce a spegnere A
Se accendo A con 1 e poi accendo B con N, A si spegne a meno che non si commuti 2
Per inciso 1 e 2 potrebbero essere semplici interruttori...
... o sbaglio qualcosa??

Re: Come sbrogliare tre deviatori?

Inviato:
20 set 2014, 21:37
da ZG84
Lo schema sembra giusto.
Se apre le scatole dei punti di comando e ci dice quali comandi trova (deviatori,invertitori ecc..) e specifica in 1,2 e N quali colori dei fili sono collegati penso si possa risolvere tranquillamente.
Re: Come sbrogliare tre deviatori?

Inviato:
20 set 2014, 21:39
da caesar753
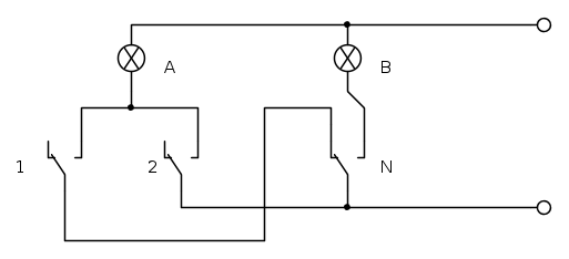
Sto provando a fare quello che mi ha chiesto
Russel nel post [7] ma mi sta venendo il maldimare...
Ad ogni modo sembra che il suggerimento di
Max2433BO sia corretto, a occhi succede proprio quello che e' descritto...
quindi dovrei spostare la deviata da N a 2, come suggerito da
elettroigor?