Relè di minima corrente? Info uso e prezzo
Ciao a tutti,
chiedo scusa in anticipo per i termini e la simbologia probabilmente errati che userò, non sono un impiantista ma questa mi sembra la sezione giusta per chiedere qualche informazione.
Ho un'auto elettrica, se volete ne parlo qui:
http://www.electroyou.it/forum/viewtopi ... 53&t=52354
E' una vecchia FIAT per la quale ho fatto tirare nel box una linea collegata al contatore di casa. La ricarica assorbe 3 kW, da me ridotti a 1,5kW.
PRIMA ESIGENZA: per evitare di cambiare l'attuale contratto (classico biorario a 3 kW) abilito la ricarica solitamente tra l'1 di notte e le 8 del mattino
Inoltre a fine carica restano accese un po' di luci nel quadro e una serie di circuiti di bordo, per un assorbimento residuo di ben 40W che non sono pochi.
Questo incide non poco sui consumi globali del mezzo, perché spesso effettuiamo ricariche dopo brevi percorrenze, es 20km: la carica dura solo circa 2h, per 3kWh utili, e poi resta un assorbimento di 40W per circa 5h, pari a 200Wh pari a un consumo aggiuntivo del 7% circa.
La SECONDA ESIGENZA è quindi usare un dispositivo che stacchi la linea dopo un certo periodo a basso assorbimento, per esempio un relè amperometrico di minima corrente (o meglio di minima potenza?).
Vorrei quindi qualche chiarimento su questi oggetti a me finora sconosciuti, in particolare non sono così sicuro che il loro uso sarebbe fattibile e "automatico", nel senso che visto l'utenza non particolarmente attenta preferirei, se possibile, evitare azionamenti manuali.
Per spiegarmi meglio ho preparato un paio di disegni.
Questo è l'andamento tipico della potenza assorbita durante la ricaria:
Dopo l'inserimento della presa di ricarica si inserisce un ruttore a bordo, e dopo pochi secondi a 40W la potenza assorbita cresce linearmente fino alla potenza di ricarica impostata (1500W).
Dopo un certo numero di ore la potenza assorbita scende in maniera variabile (dipende da se e quanto entra in funzione l'equalizzatore delle celle) fino al valore di fondo di 40W circa.
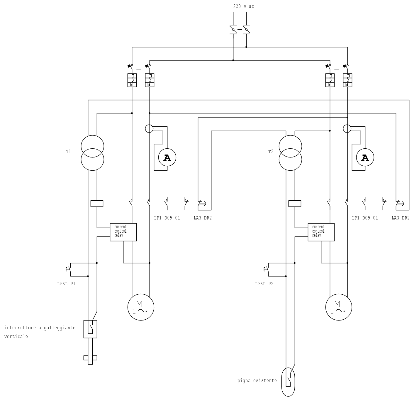
Io ho pensato la seguente disposizione per la mia "colonnina" di ricarica:
quindi in serie magnetotermico e contakWh (per memorizzare i consumi), seguito da relè di minima corrente, presa sempre sotto tensione (per eventuali ricariche diurne) e presa controllata da timer (per il più frequente uso notturno).
Chiedo pareri sulla configurazione, se vi sembra corretta.
Inoltre vorrei informazioni sia sulla reperibilità e costo di questi relè di minima, sia se sono utilizzabili con un simile andamento di corrente.
Il riarmo invece come avviene? Immagino un pulsantino di riattivazione, ma ne esistono anche che riarmano automaticamente dopo un periodo di tempo impostabile da utente? A me per esempio servirebbe un riarmo dopo 2-6h, in modo da non dover confidare nella memoria degli utilizzatori umani...
Grazie per gli eventuali suggerimenti!
chiedo scusa in anticipo per i termini e la simbologia probabilmente errati che userò, non sono un impiantista ma questa mi sembra la sezione giusta per chiedere qualche informazione.
Ho un'auto elettrica, se volete ne parlo qui:
http://www.electroyou.it/forum/viewtopi ... 53&t=52354
E' una vecchia FIAT per la quale ho fatto tirare nel box una linea collegata al contatore di casa. La ricarica assorbe 3 kW, da me ridotti a 1,5kW.
PRIMA ESIGENZA: per evitare di cambiare l'attuale contratto (classico biorario a 3 kW) abilito la ricarica solitamente tra l'1 di notte e le 8 del mattino
Inoltre a fine carica restano accese un po' di luci nel quadro e una serie di circuiti di bordo, per un assorbimento residuo di ben 40W che non sono pochi.
Questo incide non poco sui consumi globali del mezzo, perché spesso effettuiamo ricariche dopo brevi percorrenze, es 20km: la carica dura solo circa 2h, per 3kWh utili, e poi resta un assorbimento di 40W per circa 5h, pari a 200Wh pari a un consumo aggiuntivo del 7% circa.
La SECONDA ESIGENZA è quindi usare un dispositivo che stacchi la linea dopo un certo periodo a basso assorbimento, per esempio un relè amperometrico di minima corrente (o meglio di minima potenza?).
Vorrei quindi qualche chiarimento su questi oggetti a me finora sconosciuti, in particolare non sono così sicuro che il loro uso sarebbe fattibile e "automatico", nel senso che visto l'utenza non particolarmente attenta preferirei, se possibile, evitare azionamenti manuali.
Per spiegarmi meglio ho preparato un paio di disegni.
Questo è l'andamento tipico della potenza assorbita durante la ricaria:
Dopo l'inserimento della presa di ricarica si inserisce un ruttore a bordo, e dopo pochi secondi a 40W la potenza assorbita cresce linearmente fino alla potenza di ricarica impostata (1500W).
Dopo un certo numero di ore la potenza assorbita scende in maniera variabile (dipende da se e quanto entra in funzione l'equalizzatore delle celle) fino al valore di fondo di 40W circa.
Io ho pensato la seguente disposizione per la mia "colonnina" di ricarica:
quindi in serie magnetotermico e contakWh (per memorizzare i consumi), seguito da relè di minima corrente, presa sempre sotto tensione (per eventuali ricariche diurne) e presa controllata da timer (per il più frequente uso notturno).
Chiedo pareri sulla configurazione, se vi sembra corretta.
Inoltre vorrei informazioni sia sulla reperibilità e costo di questi relè di minima, sia se sono utilizzabili con un simile andamento di corrente.
Il riarmo invece come avviene? Immagino un pulsantino di riattivazione, ma ne esistono anche che riarmano automaticamente dopo un periodo di tempo impostabile da utente? A me per esempio servirebbe un riarmo dopo 2-6h, in modo da non dover confidare nella memoria degli utilizzatori umani...
Grazie per gli eventuali suggerimenti!


