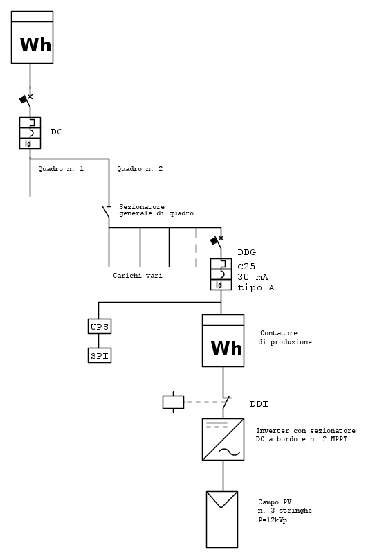
DDI e contatore di produzione pv
Salve a tutti,
leggendo le guide ENEL di marzo 2014 non trovo prescrizioni per il posizionamento del contatore di produzione rispetto al DDI. L'unica cosa che leggo è questa:
"Nel caso in cui l'uscita del generatore sia a 3 fili, per poter garantire il suddetto requisito, il contatore dovrà essere posizionato a monte del dispositivo di interfaccia dell'impianto (tra quest'ultimo e la rete)."
il "suddetto requisito" è l'inserzione diretta o semidiretta a 4 fili su sistema trifase.
Quindi nel caso di generatore (inverter) con uscita 3P+N posso installare il contatore di produzione dove voglio?
Secondo la vostra esperienza meglio a monte o valle del DDI?
Domanda n. 2:
ho un unico inverter quindi posso far coincidere DDG=DDI. Però se uso un contattore come DDI, in caso di intervento del SPI non devo riarmare, se invece uso un interruttore, in caso di intervento del SPI dovrei riarmarlo.
qual è la miglior soluzione?
Grazie!
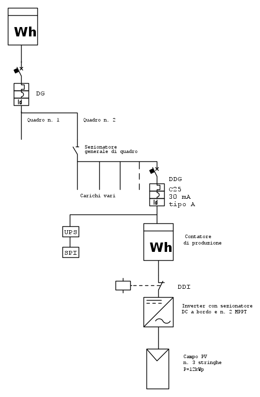
leggendo le guide ENEL di marzo 2014 non trovo prescrizioni per il posizionamento del contatore di produzione rispetto al DDI. L'unica cosa che leggo è questa:
"Nel caso in cui l'uscita del generatore sia a 3 fili, per poter garantire il suddetto requisito, il contatore dovrà essere posizionato a monte del dispositivo di interfaccia dell'impianto (tra quest'ultimo e la rete)."
il "suddetto requisito" è l'inserzione diretta o semidiretta a 4 fili su sistema trifase.
Quindi nel caso di generatore (inverter) con uscita 3P+N posso installare il contatore di produzione dove voglio?
Secondo la vostra esperienza meglio a monte o valle del DDI?
Domanda n. 2:
ho un unico inverter quindi posso far coincidere DDG=DDI. Però se uso un contattore come DDI, in caso di intervento del SPI non devo riarmare, se invece uso un interruttore, in caso di intervento del SPI dovrei riarmarlo.
qual è la miglior soluzione?
Grazie!


