Abilitazione pulsante spegnimento lampada.
Spero di non aver fatto un doppione, ho cercato ma non ho trovato nulla di specifico, se ho sbagliato chiedo gentilmente ai moderatore di fare quello che credono.
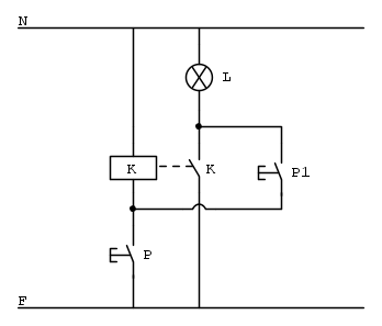
Vorrei realizzare un circuito per l'accensione di una lampada da punto ma con la possibilità di spegnimento da quest'ultimo e da un secondo.
Ho pensato di utilizzare un relè ad impulsi con elettromagnete a 230V.
Il primo punto lo collegherei come da manuale. Il secondo lo collegherei alla fase della lampada in modo che sia abilitato solo con lampada accesa.
Secondo vuoi può funzionare?
Grazie per le eventuali risposte.
Vorrei realizzare un circuito per l'accensione di una lampada da punto ma con la possibilità di spegnimento da quest'ultimo e da un secondo.
Ho pensato di utilizzare un relè ad impulsi con elettromagnete a 230V.
Il primo punto lo collegherei come da manuale. Il secondo lo collegherei alla fase della lampada in modo che sia abilitato solo con lampada accesa.
Secondo vuoi può funzionare?
Grazie per le eventuali risposte.
