Dimensionare imp.civ. > di 75 mq: predisporre per 6 kW ?
Il caso è questo: da progettista e D.L sto ristrutturando un appartamento di circa 130 mq.Attualmente vi è una fornitura di 3 kW. Leggo però dalla norma CEI 64-8 (non ho la norma , leggo ciò da un libro che ne cita i contenuti) che l'impianto serve un abitazione superiore ai 75 mq deve essere strutturato per poter erogare 6 kWh. Fatti due rapidi conti sulla corrente d'impiego almeno sulla dorsale principale del circuito prese/FM concludo che posso avere una corrente d'impiego di 30-32 A .
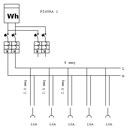
(6600 W / 230x0.9)= 31.88 circa 32A
Ho concordato con l'elettricista di mettere cavi unipolari N07VK nelle forassiti annegate a muro posa A1.
Vado sulle tabelle che si usano per la selezione dei cavi vedo che posso usare il 4 mmq .Parlo con l'eletricista e gli chiedo di farmi la dorsale da 4 mmq e gli stacchi da 2.5 mmq come vi disegno nello schema sottostante.
L'elettrista non vorrebe farlo e mi argomenta cosi le sue perplessità:
-E se poi ci sono utilizzatori sopra i 16 A?
-Allora ogni stacco da 2.5 forse dovrei fusibililarlo per sicurezza?
1)Voi che ne pensate?
2)Esistono utilizzatori sopra i 16 A che montano una spina da 16 A?
3)Mi sembra che ciò sia probito dalle norme di sicurezza di prodotto.Tutto su può fare...fisicamente ma qualora ci fosse un danno all'impianto penso che sarebbe colpa dell'elettricista bensi ad un uso improprio da parte dell'utente o sbaglio?
La mia idea era :
Ho degli degli utilizzatori fino a 16 A . Ad ognuno quindi deve arrivare una linea da 2,5 mmq però se ne metto in parallelo diciamo due o tre da 10A posso utilizzarli tutti e la dorsale me li regge.Fino a che c'è la potenza di 3 kW salta il contatore ma se si chiede un' utenza da 6 kW è già stutto strutturato(poi naturalmente devo scegliere gli inerruttori MTD adatti). Il ragionamento è sbagliato ?
(6600 W / 230x0.9)= 31.88 circa 32A
Ho concordato con l'elettricista di mettere cavi unipolari N07VK nelle forassiti annegate a muro posa A1.
Vado sulle tabelle che si usano per la selezione dei cavi vedo che posso usare il 4 mmq .Parlo con l'eletricista e gli chiedo di farmi la dorsale da 4 mmq e gli stacchi da 2.5 mmq come vi disegno nello schema sottostante.
L'elettrista non vorrebe farlo e mi argomenta cosi le sue perplessità:
-E se poi ci sono utilizzatori sopra i 16 A?
-Allora ogni stacco da 2.5 forse dovrei fusibililarlo per sicurezza?
1)Voi che ne pensate?
2)Esistono utilizzatori sopra i 16 A che montano una spina da 16 A?
3)Mi sembra che ciò sia probito dalle norme di sicurezza di prodotto.Tutto su può fare...fisicamente ma qualora ci fosse un danno all'impianto penso che sarebbe colpa dell'elettricista bensi ad un uso improprio da parte dell'utente o sbaglio?
La mia idea era :
Ho degli degli utilizzatori fino a 16 A . Ad ognuno quindi deve arrivare una linea da 2,5 mmq però se ne metto in parallelo diciamo due o tre da 10A posso utilizzarli tutti e la dorsale me li regge.Fino a che c'è la potenza di 3 kW salta il contatore ma se si chiede un' utenza da 6 kW è già stutto strutturato(poi naturalmente devo scegliere gli inerruttori MTD adatti). Il ragionamento è sbagliato ?

