Adeguamento quadro per 6 kW
Buongiorno a tutti, ho da poco cambiato il differenziale del quadro di casa mia perché a causa di frequenti sbalzi di tensione saltava ogni volta e ho messo un BTicino tipo F da 25A. Allego la foto.
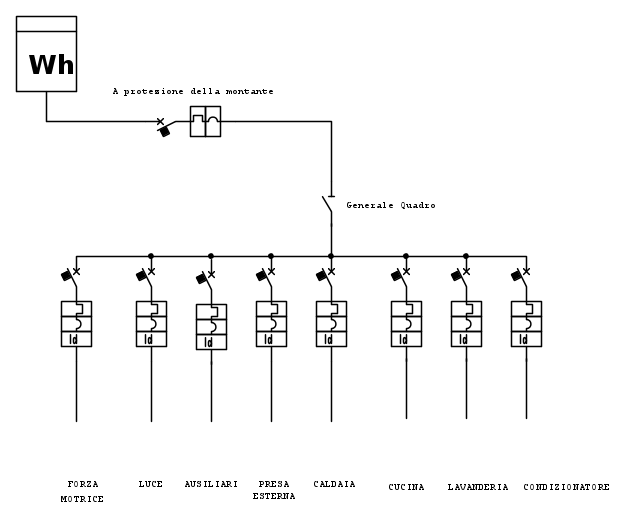
Ora volevamo però passare ai 6 kW per riuscire a utilizzare più elettrodomestici insieme. A monte del quadro è presente un magnetotermico C20. Volevo sostituirlo con un C32 e nell'occasione aggiungere un differenziale.
Ho pensato di comprare un MTD BTicino GC8813F25, perché il differenziale da 40A costa veramente tanto.
Volevo però utilizzare anche quello che ho (differenziale puro), ma è da 25A e potrebbe andare bene per proteggere solo due linee da 10A oppure una da 16A e quella da 6A. Poi credo io che se anche gli Ampere fossero 26 non ci sarebbero problemi, però non sarebbe proprio corretto. Ho pensato anche di proteggere questo differenziale con un ulteriore C25, ma come vedete ho poco posto nel quadro, anche perché bisogna aggiungere il sezionatore generale.
Riuscite a consigliarmi quale sia la soluzione migliore per mantenere anche il differenziale che ho e anche una possibile suddivisione delle linee? Quella dello schema in foto è quella che ho pensato io.
Grazie in anticipo
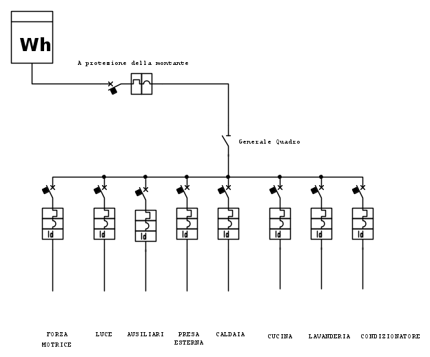
Ora volevamo però passare ai 6 kW per riuscire a utilizzare più elettrodomestici insieme. A monte del quadro è presente un magnetotermico C20. Volevo sostituirlo con un C32 e nell'occasione aggiungere un differenziale.
Ho pensato di comprare un MTD BTicino GC8813F25, perché il differenziale da 40A costa veramente tanto.
Volevo però utilizzare anche quello che ho (differenziale puro), ma è da 25A e potrebbe andare bene per proteggere solo due linee da 10A oppure una da 16A e quella da 6A. Poi credo io che se anche gli Ampere fossero 26 non ci sarebbero problemi, però non sarebbe proprio corretto. Ho pensato anche di proteggere questo differenziale con un ulteriore C25, ma come vedete ho poco posto nel quadro, anche perché bisogna aggiungere il sezionatore generale.
Riuscite a consigliarmi quale sia la soluzione migliore per mantenere anche il differenziale che ho e anche una possibile suddivisione delle linee? Quella dello schema in foto è quella che ho pensato io.
Grazie in anticipo

