Problema con un rele alla mancanza rete
Ho un problema in un impianto. In pratica per accendere un macchinario che non ha un contatto di ON/OFF bordo macchina ci si è collegati in parallelo al pulsantino di comando a sfioramento del terminale remoto di controllo della macchina.
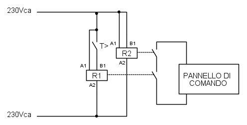
Con un relè FINDER 83.52.0.240 (temporizzatore programmato FE (Doppio intervallo, istantaneo al comando e al rilascio del comando riarmabile)si simula la pressione del pulsante di cui sopra.
Lo schema è quello riportato di seguito:
Ogni volta che il termostato chiude/apre il contatto si eccita/diseccita il relè R1 simulando la pressione del pulsante sul pannello di comando (la macchina di accende/spegne).
Il problema è che basta un buco di tensione o una mancanza rete che la macchina si spegne.
Qualche idea su come poter risolvere senza mettere un UPS per gli ausiliari?
Grazie,
Dario
Con un relè FINDER 83.52.0.240 (temporizzatore programmato FE (Doppio intervallo, istantaneo al comando e al rilascio del comando riarmabile)si simula la pressione del pulsante di cui sopra.
Lo schema è quello riportato di seguito:
Ogni volta che il termostato chiude/apre il contatto si eccita/diseccita il relè R1 simulando la pressione del pulsante sul pannello di comando (la macchina di accende/spegne).
Il problema è che basta un buco di tensione o una mancanza rete che la macchina si spegne.
Qualche idea su come poter risolvere senza mettere un UPS per gli ausiliari?
Grazie,
Dario








