Dubbio su schema circuito ausiliario
ciao a tutti,
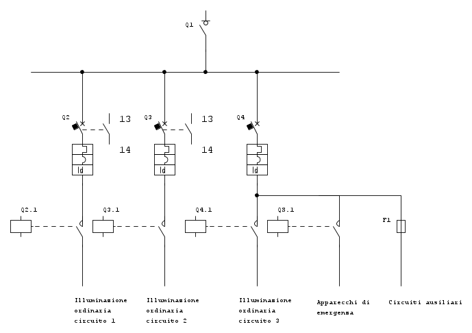
approfittando del periodaccio, ho deciso di approfondire alcuni argomenti dove la ruggine si fa sentire.
mi imbatto quindi in questo schema preso da TNE:
in didascalia il principio di funzionamento.
sicuramente sono io che non ci arrivo, ma nello schema ausiliario, Q2 e Q3 non dovrebbero essere in parallelo.
scusate per il banale chiarimento, sono quasi in imbarazzo per il quesito
approfittando del periodaccio, ho deciso di approfondire alcuni argomenti dove la ruggine si fa sentire.
mi imbatto quindi in questo schema preso da TNE:
in didascalia il principio di funzionamento.
sicuramente sono io che non ci arrivo, ma nello schema ausiliario, Q2 e Q3 non dovrebbero essere in parallelo.
scusate per il banale chiarimento, sono quasi in imbarazzo per il quesito


