comandare un contattore con due segnali in OR
Ciao.
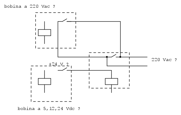
Diciamo di avere un carico attaccato ad un contattore C con bobina a 230V AC (e vari contatti NA).
E diciamo di avere due "segnali" possibili gestiti da due oggetti O1 O2 che abbiano relay di tipi differenti: ad esempio un timer con un relay a 230V AC e un raspberry-pi con un relay a 24 V DC. Questi due "segnali" devono comandare C in OR, ovvero i contatti di C devono essere chiusi quando almeno uno dei due "segnali" e' presente.
L'unico modo che mi viene in mente per implementare questa cosa e'
-prendere due contattori C1 e C2 con bobine compatibili con i due tipi di relay di O1 e O2
-attaccare fase e neutro dalla rete ai morsetti superiori (o inferiori) dei contatti di potenza di C1 e C2 (se sono almeno bipolari)
-mettere in parallelo i morsetti inferiori (o superiori) dei contatti di potenza di C1 e C2
-attaccare i risultanti fase e neutro ai contatti di comando di C.
Ora, i contatti di potenza di C1 e C2 in generale potranno avere resistenze differenti. Pero' non mi pare un problema in questo caso.
Che dite? Va bene? C'e' una soluzione migliore?
Grazie
Diciamo di avere un carico attaccato ad un contattore C con bobina a 230V AC (e vari contatti NA).
E diciamo di avere due "segnali" possibili gestiti da due oggetti O1 O2 che abbiano relay di tipi differenti: ad esempio un timer con un relay a 230V AC e un raspberry-pi con un relay a 24 V DC. Questi due "segnali" devono comandare C in OR, ovvero i contatti di C devono essere chiusi quando almeno uno dei due "segnali" e' presente.
L'unico modo che mi viene in mente per implementare questa cosa e'
-prendere due contattori C1 e C2 con bobine compatibili con i due tipi di relay di O1 e O2
-attaccare fase e neutro dalla rete ai morsetti superiori (o inferiori) dei contatti di potenza di C1 e C2 (se sono almeno bipolari)
-mettere in parallelo i morsetti inferiori (o superiori) dei contatti di potenza di C1 e C2
-attaccare i risultanti fase e neutro ai contatti di comando di C.
Ora, i contatti di potenza di C1 e C2 in generale potranno avere resistenze differenti. Pero' non mi pare un problema in questo caso.
Che dite? Va bene? C'e' una soluzione migliore?
Grazie
