Aiuto per installazione interruttore orario digitale
Ciao a tutti,
sono preoccupato (come tutti) per il caro energia.
Vivo in affitto in una casa energivora, con una caldaia anni 90, mai tagliandata!
Il proprietario non ci sente a far nulla e lo scorso inverno sono arrivate 2 bollette da 1200 € di gas. Non oso pensare quest'anno..
Io non voglio/posso investirci nulla, visto che siamo solo di passaggio e non è una sistemazione a lungo termine.
Quest'inverno vorrei provare ad ottimizzare un minimo i consumi, altrimenti...
L'impianto è mooolto basico.
La caldaia è sempre alla temperatura impostata, H24.
La temperatura dell'acqua calda sanitaria, contenuta in un bollitore da 200l, è per forza di cose, la stessa dei caloriferi. Quindi in inverno a 70°, inutilmente.
Il locale caldaia non è interno casa e tutta la dispersione viene persa...
Al bollitore è collegato un termostato che quando rileva una perdita di calore, avvia una piccola pompa che circola l'acqua con la caldaia, fino a che non torna in temperatura.
Questo accade H24, ma a noi l'acqua calda serve solo in alcuni momenti della giornata e certamente non di notte.
Veniamo al problema elettrico!
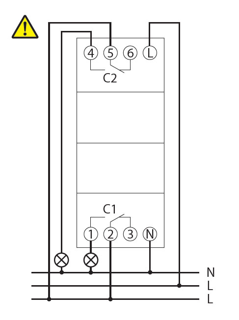
Dispongo (inutilizzato) di un interruttore orario digitale Theben top2 (6120100), che usavo per l'illuminazione dell'acquario.
Vorrei collegarlo al magnetotermico a protezione della pompa di ricircolo acqua calda sanitaria. Ossia tra il magnetotermico e la pompa + termostato. Ma non vorrei fare pasticci...
Non c'è qualche anima pia che mi può aiutare, con qualche indicazione pratica?
GRAZIE MILLE!
sono preoccupato (come tutti) per il caro energia.
Vivo in affitto in una casa energivora, con una caldaia anni 90, mai tagliandata!
Il proprietario non ci sente a far nulla e lo scorso inverno sono arrivate 2 bollette da 1200 € di gas. Non oso pensare quest'anno..
Io non voglio/posso investirci nulla, visto che siamo solo di passaggio e non è una sistemazione a lungo termine.
Quest'inverno vorrei provare ad ottimizzare un minimo i consumi, altrimenti...
L'impianto è mooolto basico.
La caldaia è sempre alla temperatura impostata, H24.
La temperatura dell'acqua calda sanitaria, contenuta in un bollitore da 200l, è per forza di cose, la stessa dei caloriferi. Quindi in inverno a 70°, inutilmente.
Il locale caldaia non è interno casa e tutta la dispersione viene persa...
Al bollitore è collegato un termostato che quando rileva una perdita di calore, avvia una piccola pompa che circola l'acqua con la caldaia, fino a che non torna in temperatura.
Questo accade H24, ma a noi l'acqua calda serve solo in alcuni momenti della giornata e certamente non di notte.
Veniamo al problema elettrico!
Dispongo (inutilizzato) di un interruttore orario digitale Theben top2 (6120100), che usavo per l'illuminazione dell'acquario.
Vorrei collegarlo al magnetotermico a protezione della pompa di ricircolo acqua calda sanitaria. Ossia tra il magnetotermico e la pompa + termostato. Ma non vorrei fare pasticci...
Non c'è qualche anima pia che mi può aiutare, con qualche indicazione pratica?
GRAZIE MILLE!