Collegare a stella resistenze anticondensa interno quadro
Buongiorno,
avrei la necessità di far installare una resistenza anticondensa all'interno di un quadro elettrico.
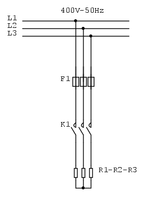
Non potendo sostituire l'attuale trasformatore ausiliario, ho pensato di selezionare 3 resistenze a 230V e collegarle a stella (sistema 400V-50Hz 3F+T), dato che non ho il conduttore di neutro presente nel quadro.
La potenza richiesta è di 400W, avrei scelto dunque 3 resistenze da 150W (110-250V) della Schneider:
https://www.se.com/it/it/product/NSYCR1 ... w-110250v/.
Per schematizzare, pensavo di collegarle così:
Comanderei il contattore con un termostato ambiente dentro al quadro.
La somma delle 3 potenze dovrebbe fare 450W in totale, corretto?
E' sensato fare un collegamento di questo tipo per delle resistenze anticondensa all'interno di un quadro? E' un accrocco o si può fare tranquillamente?
Se non uso il trasformatore d'isolamento immagino che dovrei proteggere questi dispositivi con interruttore differenziale, a meno che non vada a selezionare dei dispositivi in classe II.
avrei la necessità di far installare una resistenza anticondensa all'interno di un quadro elettrico.
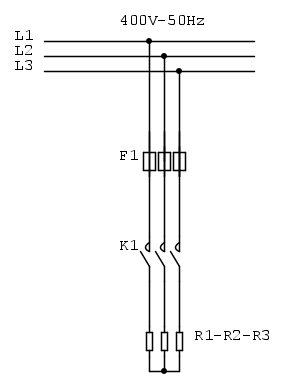
Non potendo sostituire l'attuale trasformatore ausiliario, ho pensato di selezionare 3 resistenze a 230V e collegarle a stella (sistema 400V-50Hz 3F+T), dato che non ho il conduttore di neutro presente nel quadro.
La potenza richiesta è di 400W, avrei scelto dunque 3 resistenze da 150W (110-250V) della Schneider:
https://www.se.com/it/it/product/NSYCR1 ... w-110250v/.
Per schematizzare, pensavo di collegarle così:
Comanderei il contattore con un termostato ambiente dentro al quadro.
La somma delle 3 potenze dovrebbe fare 450W in totale, corretto?
E' sensato fare un collegamento di questo tipo per delle resistenze anticondensa all'interno di un quadro? E' un accrocco o si può fare tranquillamente?
Se non uso il trasformatore d'isolamento immagino che dovrei proteggere questi dispositivi con interruttore differenziale, a meno che non vada a selezionare dei dispositivi in classe II.
