Schema elettrico
Buona sera,
vi contatto per vedere( sempre se possibile ) come poter allestire questa linea elettrica migliorandola rispetto come è ora ( disastrata ), magari con la giusta sezione dei fili elettrici, il che ora sono un miscuglio di misure.
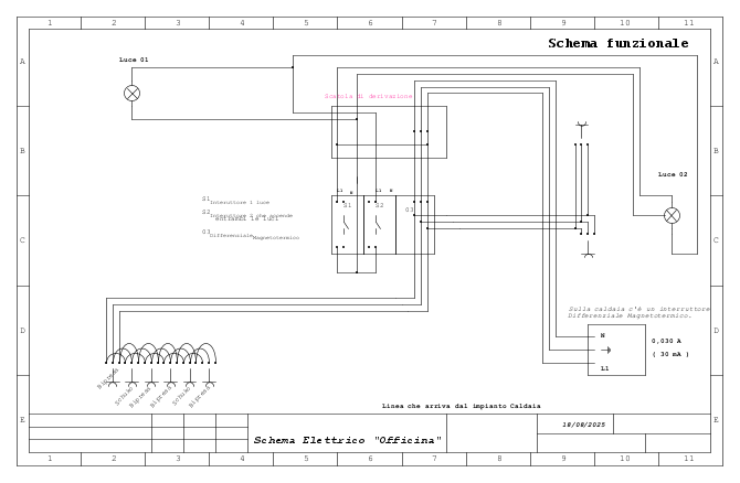
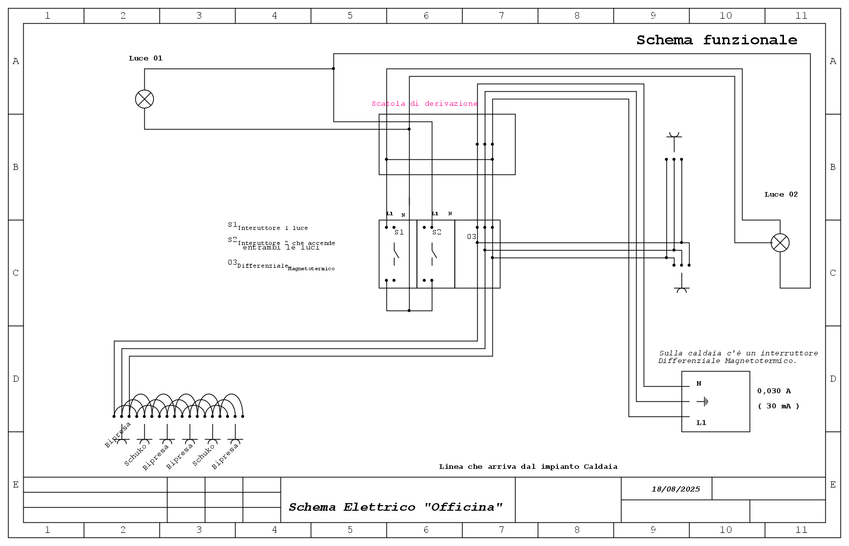
Il punto di partenza è che si attacca alla linea della caldaia, vorrei sistemarla perché come è ora DISASTRATA in caso di sovratensione e o altro salta sempre il generale della caldaia.
Vorrei se possibile mettere un magnetotermico / Salvavita all'interno dell'officina in maniera che in caso di problemi si escludesse solo questo impianto e non facesse scattare il generale della caldaia.
Il “ magnetotermico “ della caldaia che scatta è il seguente;( l'immagine non riesco allegarla).
MAGNETOTERMICO DIFFERENZIALE Modello Merlin Gerin Multi 9 DPNa Vigi C10.... 0,030A
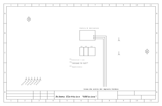
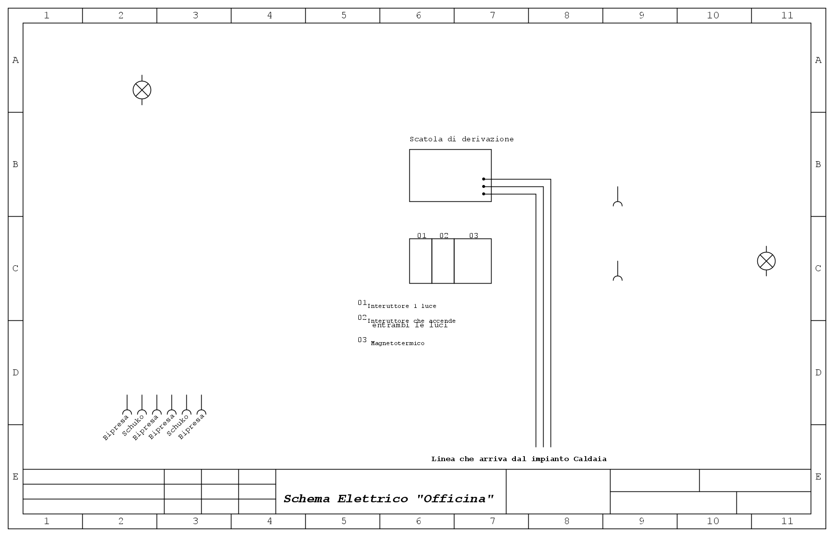
Lo schema elettrico è il seguente, io l'ho postato cosi ma se si può migliorare è anche meglio;
vi contatto per vedere( sempre se possibile ) come poter allestire questa linea elettrica migliorandola rispetto come è ora ( disastrata ), magari con la giusta sezione dei fili elettrici, il che ora sono un miscuglio di misure.
Il punto di partenza è che si attacca alla linea della caldaia, vorrei sistemarla perché come è ora DISASTRATA in caso di sovratensione e o altro salta sempre il generale della caldaia.
Vorrei se possibile mettere un magnetotermico / Salvavita all'interno dell'officina in maniera che in caso di problemi si escludesse solo questo impianto e non facesse scattare il generale della caldaia.
Il “ magnetotermico “ della caldaia che scatta è il seguente;( l'immagine non riesco allegarla).
MAGNETOTERMICO DIFFERENZIALE Modello Merlin Gerin Multi 9 DPNa Vigi C10.... 0,030A
Lo schema elettrico è il seguente, io l'ho postato cosi ma se si può migliorare è anche meglio;





