Pagina 1 di 1

Crepuscolare per tapparelle motorizzate

MessaggioInviato: 5 gen 2015, 0:16
da ggian
Salve a tutti, non so se avete già trattato il tema ho provato a cercare ma mi perdo con tutti i post con tema "tapparelle". Passiamo focus, sono via di casa tutto il giorno e soprattutto l'inverno mi piacerebbe un relè crepuscolare che alzi le tapparelle col sole (la casa è molto ben esposta e si scalda parecchio nelle belle giornate) e le abbassi la sera. L'impianto ha comandi singoli e centralizzata ma nel quadro elettrico c'è solo il magnetotermico, dove dovrei mettere il rele? In serie sull'interruttore centralizzato? Come fare quando voglio escludere l'automatismo? O_/
Per il webmaster, spostate pure il post se già trattato da qualche altra parte, grazie. :ok:

Re: Crepuscolare per tapparelle motorizzate

MessaggioInviato: 5 gen 2015, 0:47
da attilio
non in serie (al comando centralizzato) ma in parallelo ad esso
il relè crepuscolare dovrà avere un contatto NO ed un contatto NC, il primo comanderà la chiusura delle tapparelle all'imbrunire, il secondo ne comanderà l'apertura alle luci dell'alba
ovviamente per tutti i periodi di luce e di buio, avrai un comando permanentemente attivo, che sia in apertura o in chiusura
le tapparelle risulteranno quindi "ferme" solo per intervento dei micro di finecorsa

non conosco nello specifico la centralina di comando con cui vorresti interfacciarti, ma valuta se questa possibilità sia in qualche misura contemplata,
questo perché potrebbe esserci il rischio di incrociare due comandi opposti, uno proveniente dal crepuscolare e uno manuale dai pulsanti o commutatori di ogni singola avvolgibile (anche se la centrale di comando dovrebbe impedire questa evenienza)

per escludere il comando crepuscolare, sarà sufficiente interporre un interruttore di comando 0/1 in serie all'alimentazione dello stesso

Re: Crepuscolare per tapparelle motorizzate

MessaggioInviato: 5 gen 2015, 2:55
da badilant
Non mi piace l'idea del crepuscolare, lo abbandonai anni or sono per automatizzare le tende da sole.
Mi capitava che bastasse l'oscuramento di un cirro più denso e basso dle solito per fare arrotolare le tende e poi tornare ad abbassarle un minuto dopo.
Uso oggi invece un programmatore annuale con funzione calendario e sincronizzazione da esterno, con le tabelle standard di illuminazione solare in base alla mia latitudine, ho fatto un lavoro secondo me meglio organizzato e più funzionale del crepuscolare.
Nel tuo caso delle tapparelle, la domenica nei mesi estivi, anche se il sole sorge alle 5:30 del mattino, ma tu volessi rimenere a letto qualche ora in più saresti destato dalle tapparelle che si sollevano da sole.

Ciao.
Ivan.

Re: Crepuscolare per tapparelle motorizzate

MessaggioInviato: 5 gen 2015, 15:49
da attilio
sicuramente la soluzione di Ivan è più raffinata, in effetti potrebbe bastare il passaggio di un nuvolone durante le ore di sole per avviare un comando "intempestivo" (anche forse, regolando la sensibilità del fotodiodo al minimo)

badilant ha scritto:se il sole sorge alle 5:30 del mattino, ma tu volessi rimenere a letto qualche ora in più saresti destato dalle tapparelle che si sollevano da sole


questo invece è un falso problema, ggian infatti ci aveva già pensato:

ggian ha scritto:Come fare quando voglio escludere l'automatismo?


cosa semplicissima e fattibile in diversi modi

in definitiva è una questione di costi,
con 10 euro realizzi il sistema a crepuscolare, per il programmatore di Ivan, ci vorrà qualche deca in più

in entrambi i casi, va considerato il cablaggio e le modifiche all'impianto, che se è già ben fatto, non dovrebbero però costituire alcun problema

Re: Crepuscolare per tapparelle motorizzate

MessaggioInviato: 7 gen 2015, 15:31
da SerTom
Per questa applicazione ci sono dei sensori specifici (non esattamente dei crepuscolari) che oltre ad avere livelli di soglia più adatti all'uso che ne vuoi fare (per un sole che "riscalda" dobbiamo andare ad almeno 10-20klux) ha anche una gestione dei tempi di attivazione e disattivazione tale da bypassare all'origine il problema delle nuvolette di passaggio.

Ti consiglio qualcosa del genere :http://www.niceforyou.com/_download/product_information/awnings_blinds_rolling_shutters/nemo/nice_folder_nemo_it.pdf
Dove credo che il modello più adatto sia il: NEMO SCT.

Dopodiché, per interfacciare questo sensore con l'impianto esistente bisognerebbe capire come è fatto il tuo impianto: come sono comandate attualmente le tapparelle ?
Cosa intendi per "comandi singoli" e "centralizzati" ?
C'è un invertitore ognuna ? E' di tipo "stabile" o "instabile" ?
Ed il comando centralizzato, come avviene ?

Infine nel nuovo ipotetico impianto chi deve avere la priorità ? Il comando singolo, quello centralizzato o il sistema automatico ?

La soluzione del crono-datario (puro) non mi convince perché comanderebbe l'apertura anche nelle giornate di pioggia. Puntare sull'irraggiamento solare è la migliore soluzione per lo scopo descritto.

Bye O_/ Ser.Tom

Re: Crepuscolare per tapparelle motorizzate

MessaggioInviato: 7 gen 2015, 15:38
da Boccaccio
In effetti è più complesso di come viene pensato nella richiesta, il fatto che ci sia luce non intende che vi sia irradiazione di calore diretto, i sensori in quel caso devono essere più sofisticati di un semplice crepuscolare,

Se si usa la misura in lux si può perdere luce all'interno dei locali quando servirebbe e non c'è irradiazione tale da costituire riscaldamento, magari dovendo anche aumentare la luce artificiale per compensare.
Se poi la rilevazione è fatta a soglia unica in linea generica non si riesce a differenziare la gestione delle luci da quella delle tapparelle/tende.

Re: Crepuscolare per tapparelle motorizzate

MessaggioInviato: 7 gen 2015, 16:19
da ggian
Grazie a tutti, vedo che ho scatenato la vostra esperienza =D> !
Preciso quindi alcuni dati mancanti: vorrei il funzionamento crepuscolare dal Lunedì a Venerdì (quando lavoro), che intervenga sull'interruttore generale all'ingresso; sono presenti comunque comandi singoli in ogni stanza e per ogni finestra. Pensavo a un relè tipo il Luna110 della Theben che ho già in funzione per comandare il funzionamento della resistenza ACS quando produco energia dal FV che non utilizzo. E' comodo perché ha un'ampia gamma di sensibilità e si può ritardare l'intervento regolando il tempo di attesa (quindi i cali di luminosità per il passaggio di nuvole possono essere ignorati per un certo periodo). Nel quadro generale appartamento esiste solo il generale magnetotermico, non ho trovato nessuna centralina tapparelle o relé, per cui non so come azionare il generale ( a parte tirare fili e bypassandolo...) e se ciò entri in contrasto con comandi successivi (ma in caso di relè, ogni impulso ha una storia a se?).
Da qualche parte credo esisterà un relè, sia per i comandi singoli che per il generale (!?!); non ho purtroppo possibilità di sapere come è stato fatto.
Qualcuno sa come vengono realizzati questi impianti? Grazie ancora. O_/

Re: Crepuscolare per tapparelle motorizzate

MessaggioInviato: 7 gen 2015, 16:34
da Boccaccio
Qualcuno sa come vengono realizzati questi impianti?


si si fanno, non col cablaggio classico ma semmai con sistemi dedicati che possono fare queste attività e ottimizzarne il funzionamento secondo le tue esigenze, a te serve
un programmatore orario settimanale,
il controllo apertura/chiusura tapparelle, e penso con comando anche singolo
serve inoltre un po di logica per adattare le tue esigenze operative!

quando si adatta sonde, attuatore e esigenze è difficile che si trovi già una centrale con tutto ciò che si vuole fare già pronta, e poi anche lo fosse alla prima modifica si vede che manca sempre 1 ad arrivare a 10! :D

Re: Crepuscolare per tapparelle motorizzate

MessaggioInviato: 7 gen 2015, 19:43
da WALTERmwp
Ciao Foto Utenteggian, aggiungo anch'io qualche considerazione.
Non so come Foto Utentebadilant abbia realizzato nel dettaglio il suo sistema ma, a prescindere dagli aspetti associati all'impiego di crepuscolari o riferimenti settimanali, penso quasi certamente si sia rifatto alla propria competenza ed autonomia per la gestione dell'adattamento.

Lo so che risulta scontato questo che scrivo ma se non hai le "idee chiare" potresti intanto farti fare il punto della situazione da un elettricista o comunque da un conoscente che tratta la "materia" in modo tale da non partire subito con una spesa, se possibile, solo per capire cosa hai in casa.

Invece, in linea di principio, così come, immagino, avrai un pulsante dedicato alla movimentazione di ogni motore (tapparella) cercherei di mantenere questa indipendenza anche per l'attivazione automatica.
Vuol dire che, nel limite del possibile, il sistema dovrebbe poter gestire in modo indipendente e selettivo ogni motorizzazione.
Così se tu volessi, per qual si voglia motivo, lasciare completamente serrata una tapparella non dovresti rinunciare all'abilitazione dell'automatismo per le altre.
Per questo, come è stato scritto, certamente prima di tutto ci sarebbe un cablaggio da adeguare e poi, sicuramente, dovresti individuare una unità di controllo dotata di un grado di flessibilità tale da soddisfare determinate esigenze.
Non ultimo valuterei l'implicazione o l'eventuale utilizzo del sistema di rilevamento intrusione ammesso tu ne abbia uno installato.

Se sei in grado di riferire in merito ai prodotti installati (motori) magari qualcuno può, a sua volta, provare ad aggiungere altri suggerimenti.

Saluti

Re: Crepuscolare per tapparelle motorizzate

MessaggioInviato: 14 gen 2015, 20:27
da SerTom
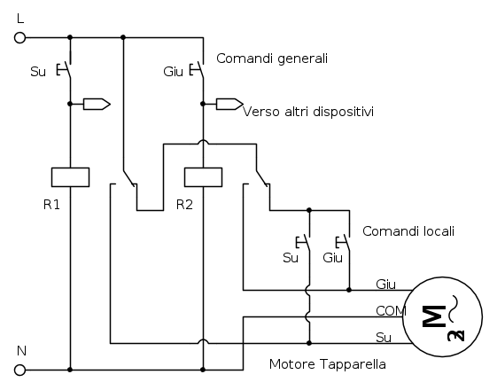
Questo è lo schema per il comando di una tapparella con comandi "generali" e con comandi "locali".
I comandi "generali" possono pilotare più comandi locali (più relè in parallelo).
Vengono utilizzati dei relè con bobina a 230Vac


(scusate per il simbolo del motore ma non avevo palle per fare un simbolo nuovo)

Alcune aziende produttrici di automatismi dispongono di "blocchetti" che contengono i 2 relè, basta aggiungere gli invertitori di comando (che devono essere interbloccati).

Il principio più essere usato in cascata per avere più livelli di comando, quindi il sistema "crepuscolare" può essere posto a monte di tutto, oppure in una fascia intermedia mantenendo gli attuali "generali" (a monte) e "locali" a valle.
Ultima precisazione: il sistema non è tollerante nei confronti dei comandi contemporanei o sovrapposti, quindi, come minimo, tutti i comandi manuali devono essere del tipo "ad azione mantenuta" ed i comandi automatici devono durare lo stretto necessario.

Bye Ser.Tom