Amplificatore per aumentare la portata di un trasmettitore
Salve,
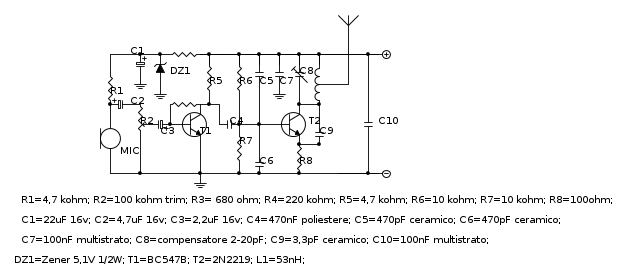
vorrei sapere se è possibile costruire un amplificatore per aumentare la portata di un trasmettitore da 1W. per esempio portarlo da 1 a una decina di 10W.
Grazie in anticipo!
vorrei sapere se è possibile costruire un amplificatore per aumentare la portata di un trasmettitore da 1W. per esempio portarlo da 1 a una decina di 10W.
Grazie in anticipo!

