Cavo delle cuffie come antenna?
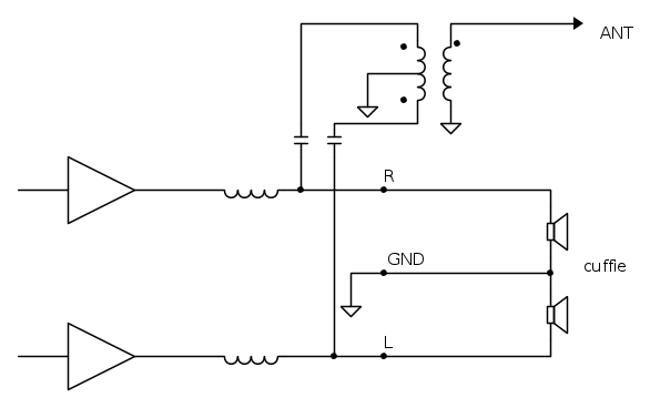
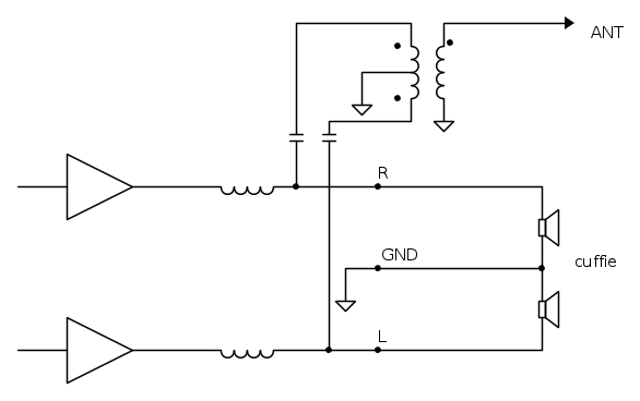
Mi sono sempre chiesto come fanno i telefoni con radio incorporata ad usare il cavo delle cuffie come antenna. Vorrei costruire un piccolo ricevitore e questa informazione mi tornarebbe utile. Potete illuminarmi?
Grazie mille!
Grazie mille!


