Info linea TV terrestre

Inviato:
24 ago 2014, 10:31
da fabio1011
Buongiorno,un amico ha bisogno di una info su un collegamento da fre su una line tv per il digitale terrestre.
In parole povere,dall'antenna parte un cavo,che scende il dorsale di un palazzo,entra dentro nel soggiorno,e bypassando per l'alimentatore,entra nella tv. Sin qui tutto ok.
Siccome serve il segnale anche in un'altra stanza molto lontana dal soggiorno,ha deciso di tagliare il filo fuori (prima che entri nel soggiorno),e crearsi fare un'altra linea e portarla dall altra parte.
Detto questo: cosa gli serve per tale realizzazione?
Fuori dove taglia il filo,puo mettere una semplice "T" o qualcos altro di specifico per non perdere segnale??
Inoltre,nella stanza nuova,ovvero dove andrà a portare la linea,servirà pure l'alimentatore??
Grazie per l aiuto
Re: Info linea TV terrestre

Inviato:
24 ago 2014, 13:19
da mir
Ciao
fabio1011,
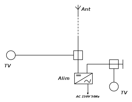
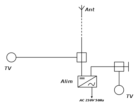
la situazione attuale mi è sembrato di capire sia questa, giusto?
fabio1011 ha scritto:Inoltre,nella stanza nuova,ovvero dove andrà a portare la linea,servirà pure l'alimentatore??
qui posso già risponderti, che non servirà un altro alimentatore, per ogni impianto di antenna tv l'alimentatore è solamente uno e deve supportare l'assorbimento dell'amplicatore di antenna.
Re: Info linea TV terrestre

Inviato:
24 ago 2014, 14:01
da angus
fabio1011 ha scritto:In parole povere,dall'antenna parte un cavo,che scende il dorsale di un palazzo,entra dentro nel soggiorno,e bypassando per l'alimentatore,entra nella TV. Sin qui tutto ok.
Mica tanto ok.
Se è la "dorsale di un palazzo" è abbastanza anomalo che venga alimentata da un singolo appartamento.
Per risponderti, su come meglio derivare un'altra presa, è essenziale capire bene come è fatto l'impianto.
Re: Info linea TV terrestre

Inviato:
24 ago 2014, 14:55
da mir
ha ragione
angus,questo particolare mi era sfuggito:
fabio1011 ha scritto: ...scende il dorsale di un palazzo,...
se si tratta di un condominio, il discorso cambia e di molto; in tal caso quantoho indicato inprecedenza risulta non valido, pertanto
fabio1011, il tuo amico dovrà essere più preciso

Re: Info linea TV terrestre

Inviato:
24 ago 2014, 15:29
da angus
Se invece con "dorsale del palazzo" intendi che il cavo dall'amplificatore d'antenna scende lungo la parete, e non fa parte di un impianto condominiale, una possibile soluzione potrebbe essere questa (riutilizzo lo schema di
mir):
Dove usi 2 DERIVATORI 1 TAP e prese DIRETTE (o cavo direttamente collegato alla/e TV)
L'ultimo derivatore è chiuso su 75 ohm.
Re: Info linea TV terrestre

Inviato:
24 ago 2014, 17:23
da fabio1011
l'amico @Mir ha capito tutto

Re: Info linea TV terrestre

Inviato:
24 ago 2014, 20:00
da mir
fabio1011 ha scritto:l'amico @Mir ha capito tutto

strano ...
scherzi a parte,
fabio1011 la soluzione te l'ha fornita l'amico
angus, non ti resta che suggerirla al tuo amico,ovviamente se siamo certi che non si tratta di un impianto condominiale.

Re: Info linea TV terrestre

Inviato:
24 ago 2014, 20:05
da fabio1011
grazie tante.
Avete qualche link magari di ebay,dove posso illustrare tutto il materiale che serve per fare tale realizzazione?
In modo da render piu chiara l idea di cio acquistare al mio amico? Grazie
Re: Info linea TV terrestre

Inviato:
24 ago 2014, 20:12
da mir
per chiarire la differenza fra derivatore e partitore puoi vedere
qui,
fabio1011 ha scritto: qualche link magari di ebay,dove posso illustrare...
ti è sufficiente digitare la chiave di ricerca "derivatore per impianti tv",mi permetto di consigliarti Fracarro.