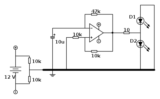
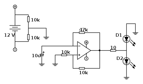
Allora, premesso che non è un bug di LTSpice nel senso che LTSpice simula correttamente il
circuito inserito, solo il circuito inserito non modella la realtà proprio correttamente....
io intanto vedrei perché
non funziona nel mondo reale, per fare questo evidenzierei il collegamento di riferimento
e poi sdoppiando il generatore di alimentazione ed applicando Thevenin...
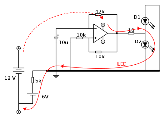
supponiamo ora che l'uscita del opamp sia saturata alta, per accendere D2, vediamo che la corrente ILED deve comunque passare per la resistenza di Thevenin (5 kohm). Trascurando pure per il momento le altre correnti nel riferimento -le altre resistenze sono decine di kohm e comunque "peggiorano" solo la situazione- e nel massimo ottimismo per la caduta sull'opamp non restano che 5-6V via 5 kohm per accendere il LED..... meno di 1mA
Del resto a questo punto la tensione al riferimento non è Vcc/2 come supposto nell'analisi "classica" e questo modifica il guadagno di anello e le tensioni agli ingressi, non ho fatto conti ma non ho difficoltà a credere che l'oscillazione neanche si inneschi e che l'ipotesi di uscita alta rimanga tale...
Not to mention la probabilità elevata di uscire dal range in modo comune degli ingressi e magari incappare pure nel
phase-reversalInsomma non funziona, a questo punto è anche chiaro che un buffer, un inseguitore di tensione sul riferimento Vcc/2 potrebbe migliorare molto la situazione sempre che sia in grado di assorbire/generare la corrente nei LED senza variare troppo la sua uscita.
Ma invece nella
simulazione vediamo l'oscillazione regolare, la corrente nei LED intorno ai 27mA (limite di corrente direi) e la tensione in uscita dall'opamp praticamente limitata alla caduta sui LED (i 10ohm in serie in pratica è come non ci fossero)
