[CDEY] Configurazione mosfet - Progetto di un carico attivo
Ho gia' realizzato in parte un Carico Attivo,ma prima di arrivare a definire il circuito chiedo un aiuto sulla tripla configurazione in parallelo del mosfet.
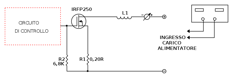
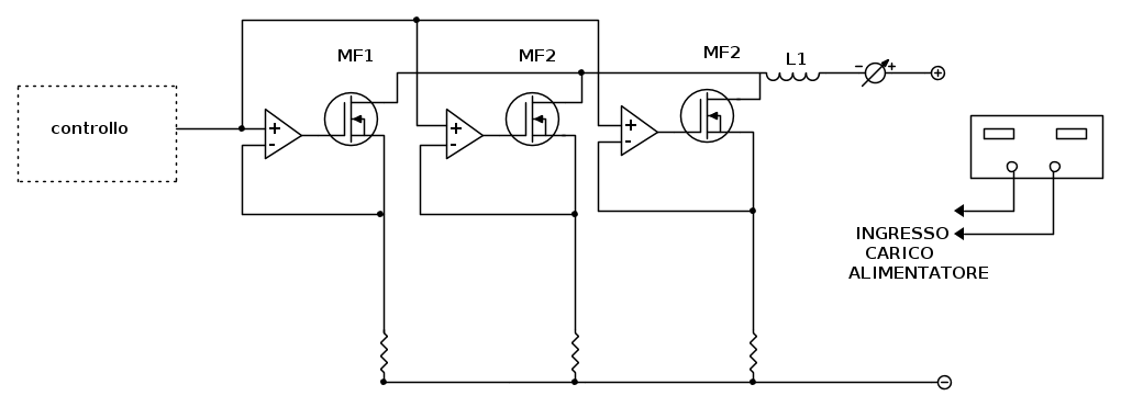
In questo caso ho in mano 3 IRFP250 (33A, 200V, 0.085 Ohm, N-Channel).
La corrente Max del carico Attivo,deve raggiungere i 20A.
Vi viene in mente qualche accorgimento particolare per collegare 3 Mosfet in parallelo?
In questo caso ho in mano 3 IRFP250 (33A, 200V, 0.085 Ohm, N-Channel).
La corrente Max del carico Attivo,deve raggiungere i 20A.
Vi viene in mente qualche accorgimento particolare per collegare 3 Mosfet in parallelo?

