Pagina 1 di 4
Aiutino alimentatore VCR Hitachi

Inviato:
22 apr 2014, 23:20
da ginko
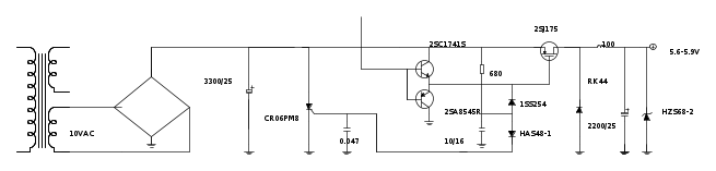
Salve ho un vcr hitachi VT-S895E da tempo non funzionante. Avevo deciso di riversare delle cassette su dvd ma mi sono accorto che alcune erano svhs e quindi dovevo far resuscitare il mio vecchio Hitachi. Premetto che non sono un riparatore ,a pensando che potesse trattarsi di un fusibile o qualcosa del genere l'ho aperto. Ho separato la parte alimentatrice ed ho trovato lo schema su internet. Purtroppo, a causa delle mie carenze in materia che però vorrei superare, non sono riuscito a capirci granchè. Il difetto consiste nel fatto che dando corrente salta il fusibile posto sul secondario del trasformatore. Ho provato a verificare l'integrità del ponte e del condensatore di livellamento (li ho staccati e collegati al trasformatore collegandoci un carico). Ho anche staccato i due diodi RK44 e HZS 68 e sostituito il mosfet 2SC175 ma senza risultati. Purtroppo non sono riuscito a reperire on line l'SCR CR06PM8. Sapreste indicarmi la strada (oltre a quella del centro assistenza ovviamente) per riuscire a recuperare il vcr? Per gli uomini di buona volontà ho a disposizione lo schema completo dell'alimentatore di cui ho allegato la parte che mi sembra non funzionare.
Grazie a tutti in anticipo
Re: Aiutino alimentatore vcr Hitachi

Inviato:
22 apr 2014, 23:22
da ginko
Ehm. mi sa non ho capito bene come si allega il file fidocad

scusate ma ho già fatto una faticata a disegnare il circuito visto che non mai usato fidocadj prima......
Re: Aiutino alimentatore vcr Hitachi

Inviato:
10 mag 2014, 19:24
da ginko
Ciao ginko dal numero di risposte che hai ricevuto mi sa che l'argomento è un po' difficile. Io ti suggerirei di scollegare lo zener sul gate dello scr e vedere se va ancora in protezione. In tal caso sarebbe da rivedere il circuito dei due transistor. Altrimenti proverei a vedere se l'ultimo elettrolitico sia in corto. Fammi sapere dopo queste prove.
Re: Aiutino alimentatore vcr Hitachi

Inviato:
10 mag 2014, 19:27
da ginko
Ah ma allora c'è qualche anima pia su sto forum che ci capisce qualcosa.... Cominciavo a disperare. Innanzitutto ti ringrazio per i consigli. Appena faccio le prove ti faccio sapere.
Re: Aiutino alimentatore vcr Hitachi

Inviato:
10 mag 2014, 19:28
da ginko
Ok
Re: Aiutino alimentatore vcr Hitachi

Inviato:
10 mag 2014, 21:53
da ginko
Il condensatore è ok e dissaldando lo zener sul gate dello scr il circuito funziona. Almeno adesso posso rilevare le tensioni e controllare altre parti del circuito. Poi ti faccio sapere.
Re: Aiutino alimentatore vcr Hitachi

Inviato:
11 mag 2014, 1:43
da Candy

Ti scrivi e rispondi da solo

Lo schema che hai postato è giusto? Dove è nello schema il fusibile incriminato?
Re: Aiutino alimentatore vcr Hitachi

Inviato:
11 mag 2014, 8:27
da ginko
Visto che dopo 20 giorni non mi aveva risposto nessuno
Hai ragione manca il fusibile incriminato! È proprio subito dopo il trasformatore e prima del ponte. Io ho dovuto riportare un'estratto dell'intero circuito di alimentazione che è abbastanza complesso. Se vuoi ti posso mandare lo schema completo.
Re: Aiutino alimentatore vcr Hitachi

Inviato:
11 mag 2014, 8:46
da Candy
Se vuoi, prendi FidocadJ e rappresenti lo schema finito, giusto, del dispositivo che è guasto, se vuoi. Altrimenti continua pure a risponderti da solo.
Re: Aiutino alimentatore vcr Hitachi

Inviato:
11 mag 2014, 9:06
da ginko
Mi lasci senza speranze perché disegnare il circuito completo di quell'alimentatore è fuori delle mie attuali capacità. Ci ho già messo un sacco di tempo per disegnare quello postato.
Posso vedere di allegare un'immagine ma non so se sia possibile.