Costruzione caricabatteria 24 V ad uso tampone (UPS)
Ciao a tutti,
ho delle telecamere di videosorveglianza che funzionano tra 24 e 48 vDC, in quanto POE.
Vorrei costruire un caricabatteria per 2 batterie in serie da 12v ciascuna, al piombo, tipo quelle dei gruppi di continuità, ma con un corrente alto: ognuna avrebbe circa 40ah.
Non mi importa che essendo in serie, si usurerà prima una delle due.
Vorrei costruire, come detto sopra, un caricabatteria capace di caricare queste due batterie, collegate in serie, e in caso di assenza di corrente di linea loro possano alimentare il carico. Una specie di UPS a 24 V.
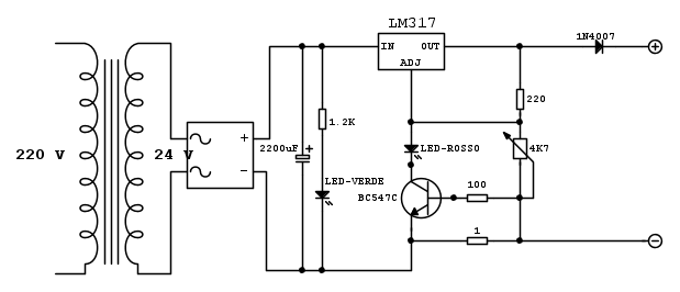
Posso partire da uno di questi schemi
viewtopic.php?t=72027
ed adattare i valori delle R e C in funzione delle mie necessità?
inoltre, come potrei costruire un sistema che fin quando c è tensione di linea, il carico si alimenta dalla linea, e quando la tensione di linea viene a mancare spilla l energia dalle batterie?
NOTE: io posso alimentare il caricabatteria con l' alimentazione che preferite VOI che mi rispondete. Posso acquistare alimentatori 220ac-->24dc switching di qualsiasi potenza, oppure 220vac-->12dc. Ditemi voi.
Capisco che si tratta di un circuito molto complesso, quindi vi chiedo anche se esiste un apparecchio da acquistare già pronto.
In sostanza: una specie di UPS che mi eroga in uscita 24volt presi da due batterie da 12v-40ah cadauna (o 30ah..insomma per darvi un' idea della dimensione)
Grazie mille a tutti
ho delle telecamere di videosorveglianza che funzionano tra 24 e 48 vDC, in quanto POE.
Vorrei costruire un caricabatteria per 2 batterie in serie da 12v ciascuna, al piombo, tipo quelle dei gruppi di continuità, ma con un corrente alto: ognuna avrebbe circa 40ah.
Non mi importa che essendo in serie, si usurerà prima una delle due.
Vorrei costruire, come detto sopra, un caricabatteria capace di caricare queste due batterie, collegate in serie, e in caso di assenza di corrente di linea loro possano alimentare il carico. Una specie di UPS a 24 V.
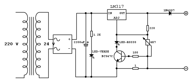
Posso partire da uno di questi schemi
viewtopic.php?t=72027
ed adattare i valori delle R e C in funzione delle mie necessità?
inoltre, come potrei costruire un sistema che fin quando c è tensione di linea, il carico si alimenta dalla linea, e quando la tensione di linea viene a mancare spilla l energia dalle batterie?
NOTE: io posso alimentare il caricabatteria con l' alimentazione che preferite VOI che mi rispondete. Posso acquistare alimentatori 220ac-->24dc switching di qualsiasi potenza, oppure 220vac-->12dc. Ditemi voi.
Capisco che si tratta di un circuito molto complesso, quindi vi chiedo anche se esiste un apparecchio da acquistare già pronto.
In sostanza: una specie di UPS che mi eroga in uscita 24volt presi da due batterie da 12v-40ah cadauna (o 30ah..insomma per darvi un' idea della dimensione)
Grazie mille a tutti
