Quale porta USB per gadget per bambini
Ciao a tutti
La ditta per cui lavoro organizza una giornata in cui i figli dei dipendenti possono visitarci e vedere cosa facciamo.
Visto che sonomasochista una persona gentile, ho accettato di organizzare una piccola attività: primi contatti con il saldatore (possibilmente con il manico e non con la punta) e realizzazione di un piccolo kit. Qualche anno fa avevamo saldato un multivibratore bistabile con due transistor e due LED.
Questa volta vorrei realizzare qualcosa con meno componenti e possibilmente un po' piú utile.
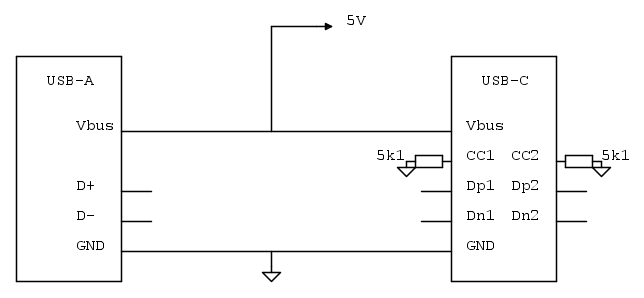
Pensavo ad una mini-torcia USB da usare in combinazione con un power-bank o caricatore (un led, una resistenza, un tasto, uno spinotto USB).
Sono un po' fuori dal giro dell'elettronica di consumo e il mio smartphone ha ormai 6 anni
Quale standard USB dovrei scegliere per ottenere la massima compatibilità con quello che un 11-14enne probabilmente ha a disposizione?
USB-A maschio, USB-C maschio o USB-C femmina?
Grazie, Boiler
La ditta per cui lavoro organizza una giornata in cui i figli dei dipendenti possono visitarci e vedere cosa facciamo.
Visto che sono
Questa volta vorrei realizzare qualcosa con meno componenti e possibilmente un po' piú utile.
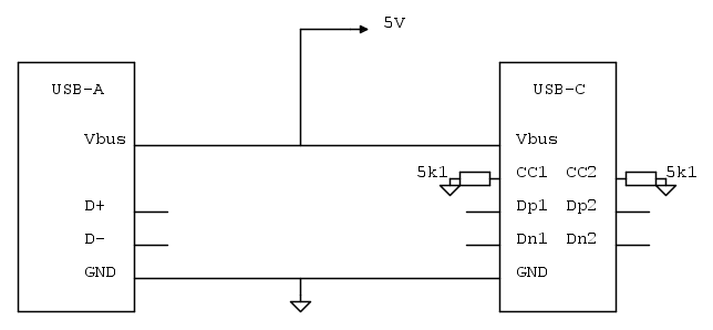
Pensavo ad una mini-torcia USB da usare in combinazione con un power-bank o caricatore (un led, una resistenza, un tasto, uno spinotto USB).
Sono un po' fuori dal giro dell'elettronica di consumo e il mio smartphone ha ormai 6 anni
Quale standard USB dovrei scegliere per ottenere la massima compatibilità con quello che un 11-14enne probabilmente ha a disposizione?
USB-A maschio, USB-C maschio o USB-C femmina?
Grazie, Boiler

