Problema con modulo MCP4921 e Arduino Due
Sto cercando di collegare il DAC MCP4921 all'ARDUINODUE.
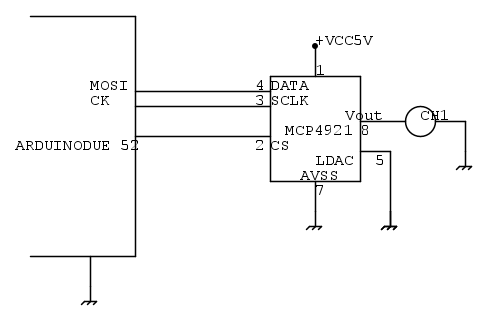
Riporto lo schema dei collegamenti:
Ed il codice:
Mi succede che in uscita su CH1 invece di vedere un segnale ad onda quadra come previsto dal codice ottnego una sinusoide come riportato di seguto e non capisco perché, aiutatemi per favore!
Riporto lo schema dei collegamenti:
Ed il codice:
- Codice: Seleziona tutto
#include <SPI.h>
#include <MCP_DAC.h>
// Crea l'oggetto DAC. MCP4921 è single channel (12 bit)
// Pin di default per SPI su Arduino Uno: SCK=13, MOSI=11, CS=10
MCP4921 myDAC;
void setup() {
Serial.begin(9600);
// Inizializza SPI
SPI.begin();
// Inizializza il DAC sul pin CS (es. Pin 10)
myDAC.begin(52);
}
void loop() {
// Scrive un valore (0-4095)
// 2048 è circa la metà della tensione di riferimento (Vref)
myDAC.write(2048, 0);
delay(1000);
myDAC.write(4095, 0); // Massima tensione
delay(1000);
}
Mi succede che in uscita su CH1 invece di vedere un segnale ad onda quadra come previsto dal codice ottnego una sinusoide come riportato di seguto e non capisco perché, aiutatemi per favore!

. Collegalo al pin 1 (
. Metti un condensatore da 100 nF tra il pin 1 e massa (se stai usando una schedina gia' pronta ci dovrebbe essere gia').