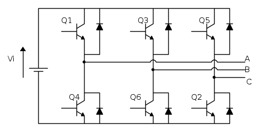
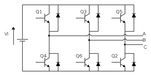
Inverter trifase
Salve a tutti, sto studiando l'inverter trifase, in particolare sto osservando le possibili configurazioni degli interruttori bidirezionali. Avendo un carico collegato a stella, il mio testo dice che le tensioni di fase del carico possono assumere 5 livelli di tensione, ovvero 0, +2/3 Vi, -2/3 Vi, +Vi/3, -Vi/3. Qualcuno potrebbe darmi qualche chiarimento? Grazie.


,
,
possono essere
o 0.
,
,
possono essere espresse come:
e le 




sono: