regolatore PID meccanico
Ciao. Siccome mi capita ogni tanto di aver a che fare con regolatori di velocità puramente meccanici (in particolare idraulici), sono andato per curiosità a vedere come funzionano.
Ho trovato questa pagina,
https://control.com/textbook/closed-loo ... ntrollers/
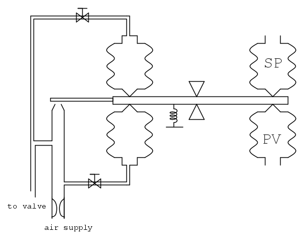
ma non mi è chiaro come sia possibile che i due soffietti a sinistra, possano svolgere la funzione integrale e derivativa.
grazie ciao.
Ho trovato questa pagina,
https://control.com/textbook/closed-loo ... ntrollers/
ma non mi è chiaro come sia possibile che i due soffietti a sinistra, possano svolgere la funzione integrale e derivativa.
grazie ciao.
