Sistema di controllo turbina
Ciao. Ho rispolverato degli appunti di qualche anno fa di un progetto che ho fatto relativo a una turbina vapore.
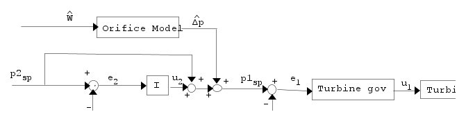
La turbina era una turbina a contropressione e la valvola di ammissione veniva regolata per garantire la pressione costante in uscita (indipentemente da carico prodotto al generatore o dalla pressione di ingresso). All'uscita della turbina c'era un sensore locale p1 (insito nel sistema di regolazione della turbina) , poi un orifizio e un sensore p2 (inviato dal cliente al sistema controllo turbina).
Il controllista, ai tempi, fece il foglio di appunti che vedete sotto. Mentre mi è chiara la parte di destra dello schema a blocchi (controllo classico...), rimango perplesso nel vedere la parte sinistra dello schema a blocchi con un integratore che non entra in alcun modello fisico... so che probabilmente è giusto, ma vorrei capirci di più e sapere dove si trovano appunti relativi a questa materia...Grazie mille. ciao.
La turbina era una turbina a contropressione e la valvola di ammissione veniva regolata per garantire la pressione costante in uscita (indipentemente da carico prodotto al generatore o dalla pressione di ingresso). All'uscita della turbina c'era un sensore locale p1 (insito nel sistema di regolazione della turbina) , poi un orifizio e un sensore p2 (inviato dal cliente al sistema controllo turbina).
Il controllista, ai tempi, fece il foglio di appunti che vedete sotto. Mentre mi è chiara la parte di destra dello schema a blocchi (controllo classico...), rimango perplesso nel vedere la parte sinistra dello schema a blocchi con un integratore che non entra in alcun modello fisico... so che probabilmente è giusto, ma vorrei capirci di più e sapere dove si trovano appunti relativi a questa materia...Grazie mille. ciao.

