In campo elettronico esiste una discreta confusione e un uso non attento dei tre termini terra, massa e potenziale di riferimento o anche solo riferimento o ancora zero volt. Devo confessare che anch'io, da piccolo, non facevo molto caso a scegliere il termine corretto e li usavo a sproposito.
Di solito vengono usati correttamente dagli elettrotecnici che si occupano di sicurezza elettrica, dai compatibilisti elettromagnetici e dai progettisti di elettronica a basso rumore. Solo gli elettronici li confondono e li massacrano senza pietà!
Ho avuto la fortuna di avere un Maestro che mi ha insegnato l'importanza di avere questi concetti ben chiari, altrimenti, mi disse, in compatibilità elettromagnetica non si riesce a fare nulla di buono.
Questo articoletto nasce dalle richieste periodiche, presenti sul forum, su questi termini. Invece di rimandare ogni volta ad un vecchio post, magari non perfettamente adatto alla domanda, riassumo qui i concetti più importanti.
Indice |
Definizioni
Come detto prima, Distinguere bene terra, massa e riferimento è importante per la sicurezza, per la compatibilità elettromagnetica...le persone più attente a questi termini sono appunto coloro che si occupano di sicurezza elettrica e di compatibilità elettromagnetica. Queste due classi di persone hanno a loro volta ancora delle piccole differenze o integrazioni in questi concetti base. Essendo un elettronico circuitale, daro` il mio punto di vista su questo argomento, rimandando ad altri articoli citati in bibliografia la parte di sicurezza elettrica.
Terra
La Terra è il pianeta su cui viviamo :). Dal punto di vista elettrico è il potenziale locale del pianeta, dove ci troviamo. Fra un punto e l'altro della Terra ci puo` essere una differenza di potenziale, e in alcuni casi anche elevata. Dato che il terreno è un discreto conduttore, ma non ottimo, puo` capitare che in presenza di forti correnti che circolano nel terreno, ad esempio dovute ad un fulmine, ci sia una elevata tensione anche a breve distanza, detta tensione di passo.
Più semplicemente il mio potenziale di terra è quello di dove sono i miei piedi. In un edificio in cemento armato tutti i ferri devono essere collegati fra di loro e a terra, e l'edificio dovrebbe essere equipotenziale. Purtroppo pero` le cose non vanno sempre in questo modo, ma questo è un argomento di sicurezza elettrica sul quale non ne so nulla.
In inglese il potenziale di terra è detto Earth, e il filo che porta il potenziale di terra fino a una apparecchiatura per motivi di protezione si chiama Protective Earth. In Europa il conduttore di terra deve essere verde-giallo, in USA verde.
Il simbolo del collegamento di terra secondo IEEE Std. 315 [1] è questo
Massa
Questo è il termine usato malamente dagli elettronici. La massa (o telaio) è la scatola metallica di un apparato elettrico che puo` essere toccata e che in seguito a un guasto dell'isolamento puo` andare a contatto con la tensione di rete ed essere quindi pericolosa. In inglese la massa si chiama chassis, e il suo simbolo, sempre secondo lo IEEE Std. 315 [1] è il seguente
Se un apparato elettronico non ha una scatola metallica, oppure la scatola metallica non puo` andare a contatto con la tensione di rete anche se si rompe un isolamento, oppure la scatola metallica non la si puo` toccare, oppure l'apparato è alimentato a batteria, allora non è una massa. In campo elettronico se c'è una scatola metallica che non è una massa, o anche solo una piastra metallica, bisogna comunque analizzarne le funzioni per quanto riguarda la compatibilità elettromagnetica, la protezione da scariche elettrostatiche...
Per motivi di sicurezza elettrica le masse devono essere collegate a terra. Oltre alle masse "normali" gli esperti di sicurezza individuano anche delle masse estranee, per le quali rimando a questi ottimi articoli [2] e [3]
Potenziale di riferimento
Il potenziale di riferimento, anche detto semplicemente riferimento o anche 0V o ancora comune, in inglese ground, è il potenziale rispetto a cui i vari sottosistemi e circuiti di un sistema elettronico "parlano" e "ascoltano".
La comunicazione fra due circuiti avviene normalmente inviando da uno all'altro una tensione che rappresenta l'informazione. La tensione richiede due conduttori per essere inviata e per motivi di praticità uno di questi due conduttori è in comune fra tutti i circuiti e rappresenta il potenziale zero o riferimento. Le varie parti del circuito parlano mandando una tensione rispetto al riferimento e ascoltano, interpretano la tensione in arrivo misurandola rispetto al riferimento.
In alcuni casi si distingue ancora fra riferimento a bassa frequenza e riferimento a RF, ma non vale qui la pena di distinguere. Il simbolo del potenziale di riferimento, sempre secondo il solito standard [1], è il seguente
Se in un circuito ci sono più potenziali di riferimento, ad esempio uno per la parte analogica, uno per quella digitale, uno per la potenza, oppure il circuito è fatto da due parti isolate... si dovrebbe scrivere dentro al triangolino bianco il nome del potenziale di riferimento in questione, ad esempio A, D oppure P... Purtroppo è una pratica poco utilizzata, di solito il disegnatore prende a caso un simbolo simile (ad esempio terra o massa) e usa quello. In molti schemi la distinzione fra i tre simboli purtroppo non è rispettata.
Nell'elettronica sfortunatamente si chiama massa quello che dovrebbe chiamarsi riferimento :( contribuendo alla confusione generale.
Esistono pochi casi in cui il riferimento potrebbe essere correttamente chiamato anche massa, almeno dal punto di vista del compatibilista elettromagnetico. Uno di questi casi, il più comune, è rappresentato dalle automobili, dove la carrozzeria, lo chassis, funziona anche da potenziale di riferimento negativo per molti carichi. Dal punto di vista elettrotecnico della sicurezza non è una massa, ma per la compatibilità elettromagnetica puo` essere considerata tale.
Negli aerei invece la cosa non è quasi mai vera. La carlinga, pur essendo tutta ben conduttrice, non viene praticamente mai usata come riferimento, come ritorno della potenza e dei segnali, principalmente perche' se un fulmine colpisce l'aereo si avrebbero nei circuiti delle sovratensioni troppo elevate.
Esempi di zero volt
Vediamo qualche esempio di potenziale di riferimento. Nei sistemi ad alimentazione duale il riferimento è quasi sempre l'alimentazione centrale, mentre per sistemi a singola alimentazione di solito si prende il negativo. Ma non è detto che sia la scelta giusta, dipende da qual è il potenziale di riferimento effettivamente usato dal circuito che riceve le tensioni (il circuito che parla di solito usa entrambe le alimentazioni, ma non è detto). Vediamo alcuni esempi digitali e analogici.
Logica TTL
Consideriamo ad esempio una logica ttl il cui schema tipico è rappresentato in figura [4]:
Le tensioni di ingresso
e
vengono misurate dalla porta e confrontate con la sua tensione di soglia: se la tensione di ingresso è maggiore della soglia il segnale viene interpretato come un livello alto, altrimenti come un livello basso.
La tensione di soglia è data dalla somma delle tensioni sulle giunzioni
. Questa catena è riferita al negativo, e quando la tensione di ingresso supera circa 1.4V rispetto al negativo, la porta passa la sua soglia e l'uscita eventualmente commuta.
Notare che non è la stessa cosa dire 1.4V rispetto all'alimentazione negativa, oppure -3.6V rispetto all'alimentazione positiva (assumendo
). Se la tensione di alimentazione cambia, ad esempio a causa di un rumore, la soglia rimane comunque riferita al negativo.
Facendo riferimento a questa figura che rappresenta la comunicazione fra due porte, con rumore aggiunto sulle alimentazioni,
si ha che un rumore Vp sulla alimentazione positiva è molto meno disturbante di uno Vn sull'alimentazione negativa, visto che il ricevitore misura la sua tensione di ingresso rispetto al negativo. Per questo se si poteva fare un solo piano di alimentazione, lo si faceva sul negativo che è il riferimento (non la massa), in modo da garantire una impedenza più bassa e quindi meno disturbi sull'alimentazione negativa.
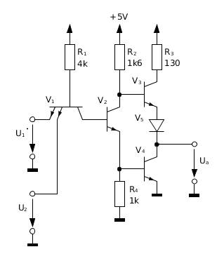
Logica ECL
Nel caso della logica ECL Motorola serie 10K, il cui schema è rappresentato in figura [5],
le cose sono completamente diverse.
La tensione sull'ingresso A ingresso viene misurata dal differenziale Q1 Q3, e la tensione di base di Q3, che è la soglia della porta, attraverso il transistore Q4 è data dal partitore delle due resistenze che sono molto diverse (rapporto 5:1). Questo vuol dire che se la tensione di alimentazione varia, la tensione di riferimento segue la tensione positiva, perche' il partitore è sbilanciato da quella parte.
Se la tensione di alimentazione passa ad esempio da 5V a 6V, la tensione sulla base di Q4 passa da 4.46V rispetto al negativo a 5.31V sempre rispetto al negativo.
Se tensione di alimentazione varia di 1V, il riferimento cambia di 0.85V circa: vuol dire che è legata all'alimentazione positiva, la porta misura la sua tensione di ingresso rispetto all'alimentazione positiva.
In questa logica anche l'uscita è legata all'alimentazione positiva. Quando il differenziale è saturo, da un lato non c'è corrente, e quindi il corrispondente transistore di uscita ha la base collegata al positivo attraverso la resistenza di collettore del differenziale. L'altro transistor del differenziale è saturo (un po' più complicato di cosi`, in realtà è il differenziale a essere saturo, ma il concetto è quello) e il rapporto delle resistenze di collettore/emettitore fa si` che la tensione di uscita segua di più il positivo rispetto al negativo: se l'alimentazione cambia, la tensione di uscita cambia meno se riferita al positivo rispetto che al negativo.
Nella figura seguente si vede come un rumore sull'alimentazione vada a cadere per 3/4 circa fra uscita e alimentazione negativa ed è quindi naturale assumere nella logica ECL la tensione di alimentazione positiva come riferimento (quella che deve avere le piste grosse), e la si chiama 0V, riferimento, mentre la tensione di alimentazione è negativa, -5.2V.
Logica CMOS
La logica CMOS è realizzata in modo simmetrico rispetto alle alimentazioni, come mostrato dalla porta NOT elementare nello schema seguente, in cui non ho indicato il potenziale di riferimento per le tensioni di ingresso e di uscita, anzi ho solo indicato In e Out, senza nessun riferimento alla tensione.
La commutazione dipende dalle due Vgs, una riferita all'alimentazione positiva e una a quella negativa. Quando le due Vgs fanno si` che la corrente nei due mos sia la stessa si ha la soglia della porta. Questa tensione di soglia è agganciata alle due alimentazioni, e se i transistori sono elettricamente uguali la tensione di soglia è a metà fra le due alimentazioni. Questo è un punto di forza di questa tecnologia perche' consente di usare lo stesso circuito su un ampio intervallo di tensioni, ad esempio nella famiglia 4000, da 3V fino a 15V.
Lo svantaggio di avere la soglia dipendente da entrambe le alimentazioni viene ampiamente compensato dall'elevato margine di rumore che si ottiene. In CMOS si puo` considerare come riferimento sia l'alimentazione positiva che negativa, ma per motivi di comodità si assume come riferimento l'alimentazione negativa che diventa cosi` lo zero volt.
Circuiti analogici
I circuiti analogici possono essere alimentati con tensioni duali, ad esempio +12V-0V-12V oppure singole, ad esempio 5V. Nel caso di alimentazione duale è naturale considerare come potenziale di riferimento il centrale dell'alimentazione, e riferire a questo punto sia la tensione di ingresso che quella di uscita. In questo modo l'operazionale puo` trattare sia segnali positivi che negativi rispetto allo 0V. Molti segnali, ad esempio tutti i segnali audio, devono poter essere sia positivi che negativi. Come si vede pero` nello schema, un operazionale non sa dove noi consideriamo il potenziale di riferimento: non c'è nessuna connessione dello 0V all'amplificatore.
Il riferimento potrebbe essere collegato non a metà delle batterie, ma ad esempio al 75% o tutto da un lato, come nella figura seguente:
L'operazionale non si accorge della differenza perche' non ha nessun piedino etichettato "0V", per lui i due circuiti sono esattamente identici. Non ci sono operazionali "intrisecamente" a singola alimentazione o ad alimentazione duale. Quello che non bisogna fare in un qualunque circuito con operazionali è superare i limiti della tensione di ingresso di modo comune, o la dinamica di uscita, poi tutti gli op amp possono lavorare ad alimentazione singola o duale.
Ovviamente nel secondo schema il segnale puo` solo essere positivo, nel primo invece puo` essere bipolare. Quando si ha una alimentazione sola e si devono amplificare segnali bipolari bisogna creare un riferimento a metà dell'alimentazione, ad esempio in questo modo.
Questa soluzione crea un riferimento intermedio (che non è una massa o massa virtuale), consumando parecchia potenza in quanto le resistenze devono essere molto più piccole della impedenza di carico dell'operazionale. E` possibile bufferare la tensione di riferimento, come mostrato qui
ma ci possono essere dei problemi con eventuali capacità C' che si è tentati di mettere ma che possono mandare in instabilità l'operazionale di buffer della tensione di riferimento.
Se il segnale non ha componenti continue, sono possibili anche altre soluzioni con minore consumo di potenza.
Da notare che le due capacità C fissano il riferimento a metà fra le tensioni di alimentazioni, e quindi un rumore su una alimentazione introdotto sia sull'alimentazione positiva che quella negativa viene ugualmente sentito dal circuito. In alcuni casi potrebbe essere utile vincolare lo zero volt a una delle due alimentazioni, usando un solo condensatore. In generale non è possibile dare delle regole valide sempre, bisogna analizzare ogni volta il circuito e il layout.
Collegamenti
Mentre la massa deve essere obbligatoriamente collegata direttamente alla terra, senza mettere nulla in mezzo, anche se per motivi di compatibilità elettromagnetica sarebbe opportuno inserire un induttore nel collegamento, il riferimento puo` subire diversi trattamenti.
Si puo` avere lo zero volt isolato dalla massa, oppure collegato direttamente alla massa in un solo punto o in più punti, puo` essere collegato solo in bassa frequenza attraverso un induttore o solo in alta frequenza attraverso un condensatore. Puo` essere isolato dalla massa solo fino a una certa tensione e poi vincolato con degli zener e probabilmente ci sono altre possibilità che non mi vengono in mente.
La scelta è data dalle prestazioni che si vogliono ottenere, specie in termini di rumore, dalla immunità che si vuole alle scariche elettrostatiche, da quante linee entrano ed escono dalla scatola, dove vanno, che segnali portano... Le considerazioni da fare sono troppo lunghe per essere introdotte qui, potrebbero far parte di un eventuale successivo articolo.
Oltre ai problemi esterni, anche dentro al circuito o al sottosistema sono possibili dei problemi nella distribuzione del riferimento per evitare accoppiamenti indesiderati, come descritto in questo articolo [6]
L'errore più comune, o la brutta sorpresa più frequente che determina il malfunzionamento di un circuito è quella di credere che tutti i simboli di 0V siano equipotenziali. Purtroppo questo non è vero per svariati motivi, spiegati in [6] e da qui derivano ad esempio ronzii, rumori, commutazioni non volute, sistemi digitali che si piantano, due caccia "Tornado" precipitati in Germania... Negli schemi critici non si usano i simboli di ground sparsi per lo schema, si disegnano esplicitamente i collegamenti di ground con l'indicazione al masterista di seguirli fedelmente.
Bibliografia
[1] ANSI IEEE Std. 315 (1975)
[2] Zeno Martini - Massa Elettrica - Electroyou, 2009
[3] Zeno Martini - Massa Estranea - Electroyou, 2009
[4] Da Wikipedia sotto licenza CC
[5] Da Wikipedia sotto licenza CC
[6] Zeno Martini - Accoppiamenti indesiderati - Electroyou, 2007

Elettrotecnica e non solo (admin)
Un gatto tra gli elettroni (IsidoroKZ)
Esperienza e simulazioni (g.schgor)
Moleskine di un idraulico (RenzoDF)
Il Blog di ElectroYou (webmaster)
Idee microcontrollate (TardoFreak)
PICcoli grandi PICMicro (Paolino)
Il blog elettrico di carloc (carloc)
DirtEYblooog (dirtydeeds)
Di tutto... un po' (jordan20)
AK47 (lillo)
Esperienze elettroniche (marco438)
Telecomunicazioni musicali (clavicordo)
Automazione ed Elettronica (gustavo)
Direttive per la sicurezza (ErnestoCappelletti)
EYnfo dall'Alaska (mir)
Apriamo il quadro! (attilio)
H7-25 (asdf)
Passione Elettrica (massimob)
Elettroni a spasso (guidob)
Bloguerra (guerra)








