APPUNTI DI ELETTROTECNICA ed ALTRO

SISTEMA TT

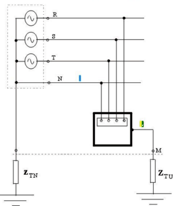
Sistema TT


Il neutro del generatore è collegato a terra come le masse dell'Utilizzatore. Esistono dunque due impianti di terra distinti.

Analisi Contatti Indiretti

 

 

Copyright © 1999-2003 Ing. Zeno Martini Tutti i diritti riservati. 

...per informazioni...