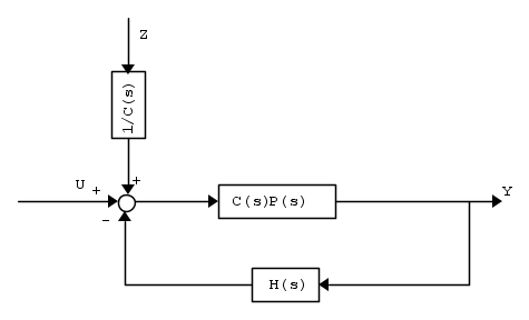
Faccio fatica a leggere le formule nello schema a blocchi ! Infatti non tento !
Per risolvere adopero il seguente criterio:
Ricordo che puoi ridurre uno schema a blocchi complesso a uno schema semplificato
con:
un ingresso I (oppure S set per gli inglesofoni)
una uscita U ( oppure O output)
un nodo sottrattore
un blocco diretto G
un blocco di reazione H
ingresso/uscita = G/(1+GH)
Nel tuo caso hai un ingresso U , un ingresso Z,
una uscita Y
tre blocchi: C controller P plant H feedback
i conti puoi farli a mente
