Condensatori in parallelo
Ciao a tutti
, mi sono appena iscritto su questo bellissimo sito (in cui bazzicavo già da un po'!) studio elettrotecnica a scuola (4* anno di istituto tecnico nautico), la studiavo già dall'anno scorso.. ma solo da 2 settimane mi sono davvero appassionato ad essa! allora ho preso il libro e ho iniziato a studiare come non ho mai fatto! ;) ps: ho 17 anni.. comunque.. a parte tutto ciò che fa un po' da presentazione.. il mio quesito sarebbe: è possibile creare un'alimentatore portatile composto da condensatori moooooolto capienti in parallelo??
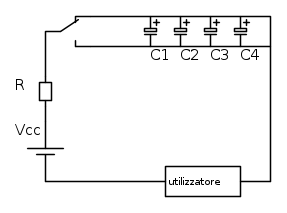
avevo pensato di creare un circuito composto da batteria, che attaccata a un deviatore mi va a caricare 4 o più condensatori.. dopodichè cambiando "linea" con il deviatore porto i condensatore a scaricarsi.. sull'utilizzatore che connetto con un connettore di alimentazione! ho aggiunto prima dello switch una resistenza per far sì che la corrente non sia troppo elevata quando entra nei condensatori, ma anche perché ho pensato che una volta che i condensatori sono carichi, la corrente procede il suo circolo senza entrare in essi, creando un cortocircuito.. allora mettendola anche se essi sono carichi, la tensione e la corrente "cadono" sulla resistenza!
Ditemi cosa ne pensate, se sono matto, se parlo troppo (scusate ma ho sempre la paura di non farmi capire), o se devo andare a ripassare elettronica!!
xP
A presto! Matteo.
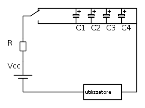
avevo pensato di creare un circuito composto da batteria, che attaccata a un deviatore mi va a caricare 4 o più condensatori.. dopodichè cambiando "linea" con il deviatore porto i condensatore a scaricarsi.. sull'utilizzatore che connetto con un connettore di alimentazione! ho aggiunto prima dello switch una resistenza per far sì che la corrente non sia troppo elevata quando entra nei condensatori, ma anche perché ho pensato che una volta che i condensatori sono carichi, la corrente procede il suo circolo senza entrare in essi, creando un cortocircuito.. allora mettendola anche se essi sono carichi, la tensione e la corrente "cadono" sulla resistenza!
Ditemi cosa ne pensate, se sono matto, se parlo troppo (scusate ma ho sempre la paura di non farmi capire), o se devo andare a ripassare elettronica!!
A presto! Matteo.

