Stima potenza trasformatore
Salve a tutti, ho recuperato un alimentatore da banco di almeno 20 anni fa (ma anche più), da 12V e 5A. Essendo in disuso da molti anni ed avendo anche il fusibile bruciato, ho deciso di aprirlo direttamente per controllare solo il trasformatore e magari riciclarlo per altri usi.
Così mi accorgo che è un trasformatore con due secondari collegati in parallelo; il pacco lamellare (almeno esteticamente) non da certo l'idea di "nuovo"
, ma ho fatto comunque una prova a vuoto ed ho misurato 18.3V su ogni avvolgimento. Ho pensato che è l'ideale per ottenere un alimentatore duale da banco, con tensioni variabili e potenza superiore a quello che già ho... Ma vorrei capire esattamente quanto è la potenza del trasformatore.
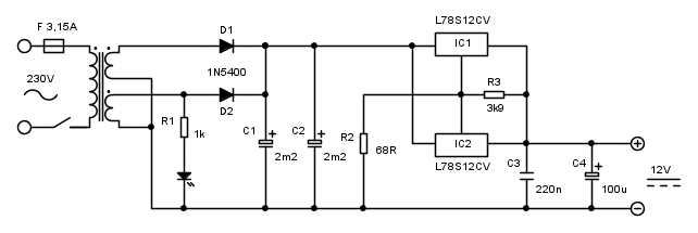
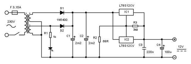
Ho ricavato lo schema dell'alimentatore e, onestamente, mi sembra difficile che potesse tirare fuori 5A:
Cosa ne pensate?
Allego anche una foto del trasformatore. Ho messo l'euro tanto per avere un riferimento
, ma ditemi voi se servono misure precise (personalmente non ho mai fatto "stime" del genere
). Grazie 
Così mi accorgo che è un trasformatore con due secondari collegati in parallelo; il pacco lamellare (almeno esteticamente) non da certo l'idea di "nuovo"
Ho ricavato lo schema dell'alimentatore e, onestamente, mi sembra difficile che potesse tirare fuori 5A:
Cosa ne pensate?
Allego anche una foto del trasformatore. Ho messo l'euro tanto per avere un riferimento


( con M in grammi e P in voltampere) ottengo circa 77VA, che comunque devo sempre dividere per il coefficiente 1,8. Oppure, considerato che il trasformatore non è proprio "piccolo", posso considerare un coefficiente meno pessimista di 1,8?