Circuito per stroboscopio
Ciao a tutti,
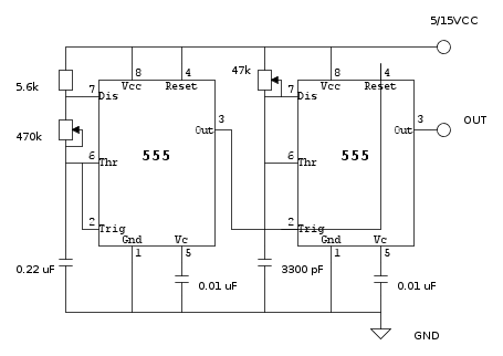
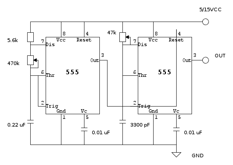
Vorrei chiedervi un aiuto per realizzare uno stroboscopio (in grado di rallentare e fermare gli oggetti in movimento); anni fa ne realizzai uno basato su due NE555 che pilotava dei led. Il "problema" è che questo circuito è stato poi disassemblato e purtroppo non trovo più lo schema. Ma comunque sia, anche con la scusante di realizzarne un altro, vorrei chiedervi, se a differenza di quello che usavo anni fa, fosse possibile realizzarlo usando un solo NE555 anziché due.
Le caratteristiche necessarie sono: duty cycle basso (difatti i lampeggi devono essere brevissimi, per poter essere in grado di "fermare" il movimento) e frequenza regolabile tra 2 Hz e 100 Hz. I led da pilotare sono 20 (3,5 v - 25 mA) e in uscita al circuito, per pilotarli, pensavo di utilizzare un BD439 che già ho.
Avete qualche schema da suggerirmi?
Grazie.
Vorrei chiedervi un aiuto per realizzare uno stroboscopio (in grado di rallentare e fermare gli oggetti in movimento); anni fa ne realizzai uno basato su due NE555 che pilotava dei led. Il "problema" è che questo circuito è stato poi disassemblato e purtroppo non trovo più lo schema. Ma comunque sia, anche con la scusante di realizzarne un altro, vorrei chiedervi, se a differenza di quello che usavo anni fa, fosse possibile realizzarlo usando un solo NE555 anziché due.
Le caratteristiche necessarie sono: duty cycle basso (difatti i lampeggi devono essere brevissimi, per poter essere in grado di "fermare" il movimento) e frequenza regolabile tra 2 Hz e 100 Hz. I led da pilotare sono 20 (3,5 v - 25 mA) e in uscita al circuito, per pilotarli, pensavo di utilizzare un BD439 che già ho.
Avete qualche schema da suggerirmi?
Grazie.
