Proteggere ventoline controllate in PWM

Inviato:
15 nov 2024, 0:01
da steeveone
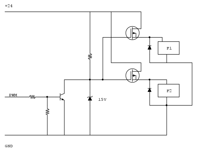
Salve, su una stampante 3d ho 2 ventoline collegate in parallelo ad una singola porta PWM (di seguito lo schema)
VBB è 24 V, a FAN0 sono appunto collegate le due ventole, controllate in PWM di solito impostate al 50%.
Il problema è che una delle due si rompe in pochissimo tempo, ne ho già sostituite 4.
Per ora ho usato ventoline marchiate gdstime, un brand cinese considerato affidabile.
Prima di prendere due ventoline alpha o sunon e fargli fare una brutta fine,
volevo sapere, secondo voi cosa può causare questo comportamento e c'è qualche modo per proteggere queste ventoline?
Grazie
Re: Proteggere ventoline controllate in PWM

Inviato:
15 nov 2024, 8:46
da stefanopc
Le ventole PWM hanno normalmente 4 fili.
Positivo negativo velocità e PWM.
Le tue quanti fili hanno?
Metti una foto così si può capire meglio.
Ciao
Re: Proteggere ventoline controllate in PWM

Inviato:
15 nov 2024, 12:23
da Etemenanki
Se hanno 2 fili e sono pilotate in PWM, mi viene il dubbio che qualcuno progettando quella scheda non abbia preso in considerazione il fatto che le ventole ormai hanno tutte un motore a commutazione interna a due avvolgimenti, pilotati da un'apposito chip, che di solito non gradisce molto l'essere alimentato in PWM.
Prova a mettere sull'uscita PWM una resistenza di basso valore (tipo, 4.7 ohm) da almeno 1W, meglio 2, in serie all'uscita a cui e' collegato il mosfet, e dopo la resistenza, un condensatore elettrolitico, tipo 220uF 35 o 50 V, negativo alla resistenza e positivo al pin che porta il =24 V, dovrebbe trasformare il PWM "secco" in una tensione media, sia pure con un certo ripple, ma comunque piu "sopportabile" del PWM diretto dai circuiti delle ventoline.
L'alternativa migliore, ma leggermente piu complessa, sarebbe usare ventole a 3 pin (da 24 V ci sono, ma non e' facilissimo trovarle), collegate direttamente a GND e +24 (o GND e +12, se disponibile e se si vogliono usare quelle classiche da 12V, piu facili da trovare) e pilotate dal segnale PWM sul terzo filo, ma serve vedere che segnale PWM accettano (di solito 5V), ed adattarlo con un paio di resistenza.
Re: Proteggere ventoline controllate in PWM

Inviato:
15 nov 2024, 13:29
da stefanopc
Ho recentemente fatto un circuitino con controllo temperatura pid comandato da Arduino per raffreddare quando serve il dissipatore dell'inverter FV.
In pratica nel mio caso è un alimentatore lineare con regolatore serie da 8 a 13V 1.5A circa.
Ecco lo schema in allegato.
Se servisse poi lo ridisegno in formato fcd.
L'ingresso X1-2 è il PWM (negato) .
L'ingresso X1-3 è il comando di massima velocità.
È abbastanza semplice nel caso trasformare il progetto da 12 a 24 V.
Ciao
Re: Proteggere ventoline controllate in PWM

Inviato:
16 nov 2024, 15:33
da lelerelele
Dal tuo schema potrei dire che sono ventole a2 fili, quindi non devono essere alimentate in PWM ma in DC.
Se l'uscita del PWM la integri, con un diodo ed un resistore in serie e un condensatore in parallelo ottieni una uscita in DC che varia in tensione, e l'unico modo per controllarla senza pericolo. Occhio però che i valori sono critici, devi fare varie prove per ottenere in risultato decente, altrimenti non va.
Re: Proteggere ventoline controllate in PWM

Inviato:
16 nov 2024, 19:21
da ThEnGi
Mi cito per farmi publicita:
Link al mio blog EY
Se le ventole sono in DC (niente "filo" per il PWM ) il migliori sistemi di pilotaggio sono il proporzionale/lineare o il low speed PWM (eventualmente filtrato)
Un primo approccio può essere rinforzare il sistema di comando e separare la parte di potenza delle due ventole, Inoltre manca un "diodo di ricircolo"
EDIT: Che poi noto adesso che ho messo il transistor verso massa ma quando c'è il segnale tachimetrico è meglio averlo verso VCC. nei prossimi giorni correggo

Re: Proteggere ventoline controllate in PWM

Inviato:
16 nov 2024, 19:54
da ThEnGi
se non vuoi essere troppo puntiglioso puoi fare così

Re: Proteggere ventoline controllate in PWM

Inviato:
18 nov 2024, 16:57
da SediciAmpere
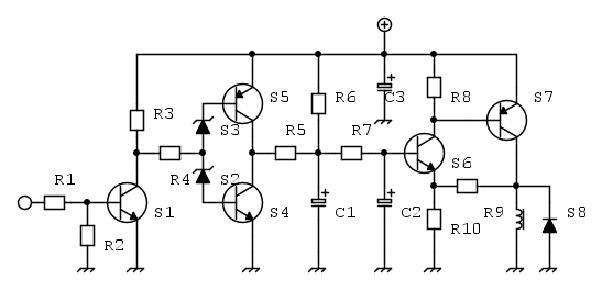
Sono a letto influenzato ad annoiarmi, non sapendo cosa fare ho progettato un demodulatore PWM ad alta efficienza, non so se può interessare:
R1 = 3,9 kΩ
R2 = 680 Ω
R3 = 1 kΩ
R4 = 100 Ω
R5 = 680 Ω
R7, R8 = 220 Ω
R9 = 680 Ω
R10 = 1,2 kΩ
C1, C2 = 10 μF
C3 = 1000 μF
S1 = BC547
S2, S3 = Zener 7,5V
S4 = BC337
S5 = BC327
S6 = BC547
S7 = BD135
S8 = 1N4148