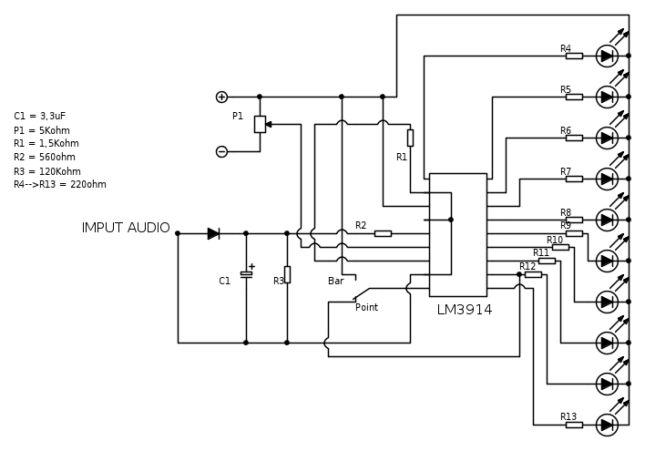
vu meter led
ciao a tutti... io e un mio amico abbiamo disegnato questo circuito e volevo sapere se fosse giusto e funzionante se messo su millefori...
grazie in anticipo a tutti...

grazie in anticipo a tutti...

La comunità del mondo elettrico: elettronica, elettrotecnica, impianti, pic, plc, automazione
https://www.electroyou.it/forum/


dimitri94 ha scritto:... Se io uso un imput audio da jack
).dimaios ha scritto:senza passare per un purista della lingua
marco438 ha scritto:Se la tua e' una fonte stereofonica, avrai le uscite L e R (destro e sinistro per i due canali) ed una comune da collegare alla massa.
I casi sono due: o realizzi due VUMeter (uno per canale) o ti accontenti di adoperarne uno soltanto mettendo L o R come input ed il comune alla massa del VUMeter.

quale dovrei usare.....? 
