Collegamento a scheda per controllo stepper
Ciao,
tempo fa comprai su ebay una scheda (v. sotto) con l'intenzione di comandare uno stepper recuperato da una stampante.
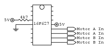
Per provarla avevo messo fatto un semplicissimo programma in un PIC che dava fuori in sequenza i valori logici in ingresso alla scheda per muovere il motore e poi avevo collegato le uscite del PIC all'ingresso della scheda.
Il problema è che la cosa andò per un poco, ma poi il PIC diventò bollente e si bruciò...
Potreste consigliarmi su come fare il collegamento a questa scheda? Forse con un fotoaccoppiatore?
Grazie :)
Questa è la descrizione riportata
tempo fa comprai su ebay una scheda (v. sotto) con l'intenzione di comandare uno stepper recuperato da una stampante.
Per provarla avevo messo fatto un semplicissimo programma in un PIC che dava fuori in sequenza i valori logici in ingresso alla scheda per muovere il motore e poi avevo collegato le uscite del PIC all'ingresso della scheda.
Il problema è che la cosa andò per un poco, ma poi il PIC diventò bollente e si bruciò...
Potreste consigliarmi su come fare il collegamento a questa scheda? Forse con un fotoaccoppiatore?
Grazie :)
Questa è la descrizione riportata
Driver: L298N Dual H Bridge DC Motor Driver IC
Driven part of the terminal supply area Vs: +5 V ~ +35 V; such as the need to take power within the board, the supply area Vs: +7 V ~ +35 V
Driven part of the peak current Io: 2A
The logical part of the terminal supply area Vss: +5 V ~ +7 V (can take power within the board +5 V)
The logical part of the operating current range: 0 ~ 36mA
Control signal input voltage range:
Low:-0.3V ≤ Vin ≤ 1.5V
High: 2.3V ≤ Vin ≤ Vss
Enable signal input voltage range:
Low: -0.3 ≤ Vin ≤ 1.5V (control signal is invalid)
High: 2.3V ≤ Vin ≤ Vss (control signal active)
Maximum power consumption: 20W (when the temperature T = 75 ℃)
Storage temperature: -25 ℃ ~ +130 ℃
Driver Board Size: 55mm * 49mm * 33mm (with fixed copper pillar and the heat sink height)
Driver Board Weight: 33g
Other Extensions: control of direction indicators, the logic part of the plate to take power interface.
