Esercizio in regime transitorio
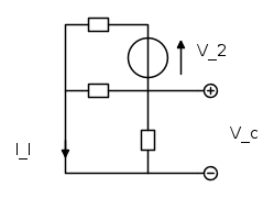
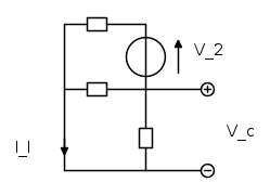
Salve, ho il seguente circuito
potreste darmi un aiuto per risolverlo?
potreste darmi un aiuto per risolverlo?
La comunità del mondo elettrico: elettronica, elettrotecnica, impianti, pic, plc, automazione
https://www.electroyou.it/forum/
e
; rimaniamo in attesa.
totale, e poi col partitore di corrente trovo 
