Problema led su indicatore di carica batteria
Salve,
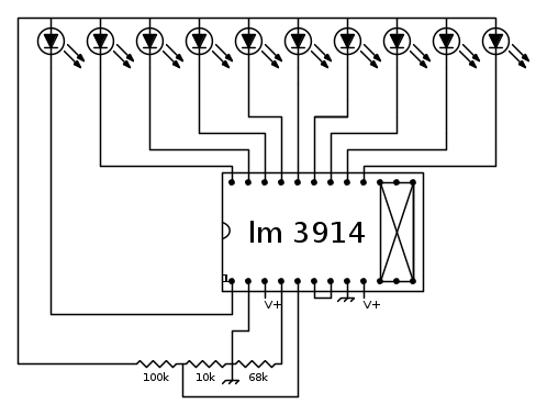
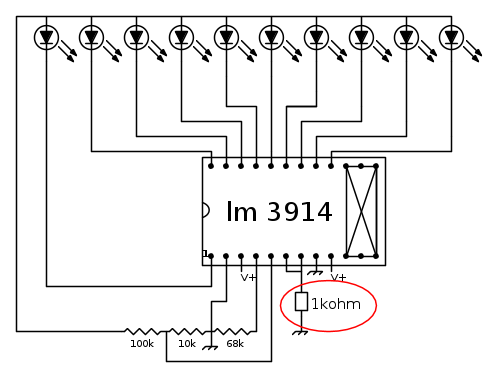
ho appena finito questo circuito: [http://elettroportale.altervista.org/Indicatorecarica10led.htmll]. Però i ledi emettono una luce fievolissima che si intravede appena controluce. Al posto della resistenza da 66K ne ho messa una da 68k. Quale può essere il problema?
Grazie
ho appena finito questo circuito: [http://elettroportale.altervista.org/Indicatorecarica10led.htmll]. Però i ledi emettono una luce fievolissima che si intravede appena controluce. Al posto della resistenza da 66K ne ho messa una da 68k. Quale può essere il problema?
Grazie


