Provo a risolverlo io, l'op non si fa vedere da un po' ma magari può essere utile ad altri.
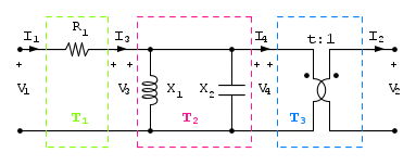
Lo schema:
I dati:




Si hanno dei doppi bipoli in cascata quindi conviene usare la rappresentazione tramite matrici di trasmissione per ciascun blocco, in modo da poter ricavare la matrice completa facendo il prodotto delle matrici di ciascun blocco.
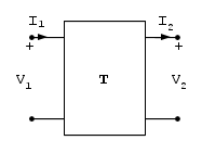
Avendo un generico doppio bipolo come il seguente:
Notare che ho usato la convenzione del generatore alla porta due, questo rende comodo il calcolo della cascata. Considerando

e

le variabili indipendenti, si può scrivere il seguente sistema:

In forma vettoriale risulta:

Dove la matrice di trasmissione è:

e gli elementi sono definiti come:

Tornando al circuito iniziale, possiamo individuare tre doppi bipoli intermedi per calcolare la matrice di trasmissione complessiva del circuito. In questo caso il circuito è in regime sinusoidale quindi tensioni e correnti sono da indendersi nel dominio dei fasori, ometto il segno di vettore per semplicità.
Valgono le seguenti espressioni:



Sostituendo la
(2) e la
(3) nella
(1) si ottiene l'espressione finale:

Quindi la matrice di trasmissione complessiva è data dal prodotto delle matrici di trasmissione dei singoli doppi bipoli collegati in cascata.

Possiamo iniziare a calcolare le matrici di trasmissione intermedie partendo dalla definizione degli elementi.




Quindi:

Com'era prevedibile il circuito è simmetrico (

) e reciproco (

).
Il termine C è puramente reale per cui il circuito non è privo di perdite, questo è un risultato atteso per via della natura resistiva del circuito.
Si passa quindi al secondo blocco, poiché i componenti sono in parallelo risulta comodo rappresentarlo in termini di ammettenze:

Si calcolano gli elementi della matrice come prima:




Quindi:

Anche in questo caso il doppio bipolo è reciproco e simmetrico, inoltre siccome C è immaginario puro, il due porte è anche privo di perdite. Questo si poteva intuire perché i componenti reattivi non dissipano potenza attiva.
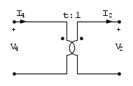
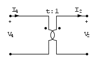
Passiamo al trasformatore ideale:




Notare il segno meno sull'ultimo termine, è dovuto al fatto che la corrente è stata considerata uscente invece che entrante sul riferimento del secondario.
Si ha quindi:

Finalmente la matrice complessiva:

Non ho ricontrollato i conti, ma il procedimento dovrebbe essere giusto.